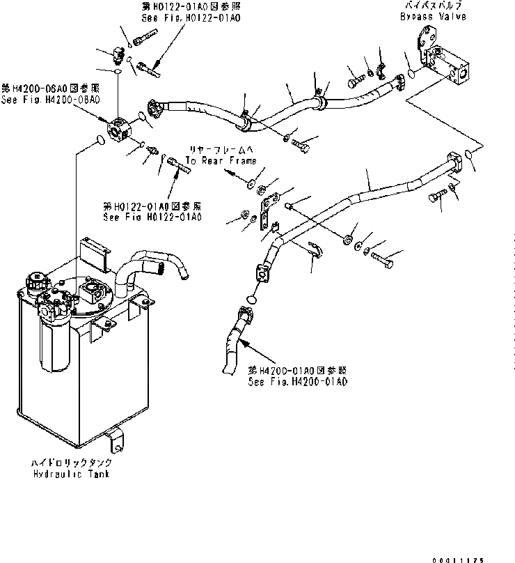
Запчасти Komatsu WA200-5 ГИДРОЛИНИЯ (ВОЗВРАТ. ЛИНИЯ) (№B-B7) ГИДРАВЛИКА

Схема запчастей Komatsu WA200-5 - ГИДРОЛИНИЯ (ВОЗВРАТ. ЛИНИЯ) (№B-B7) ГИДРАВЛИКА
21
18
19
20
23
22
24
16
17
15
14
31
29
25
30
28
31
27
26
12
13
8
1
5
6
7
4
2
4
7
9
10
11
3
3
FIT
1:1
100%

Артикул

Название

Примечание

Количество

1

417-62-31344

TUBE

SN: B10001-@

1шт.

2

417-62-31480

HOSE

SN: B10001-@

1шт.

3

07000-13032

O-RING

SN: B10001-@

2шт.

4

419-09-11150

CLIP

SN: B10001-B11066

2шт.

5

01010-81020

BOLT

SN: B10001-B11066

2шт.

6

01643-31032

WASHER

SN: B10001-B11066

2шт.

7

418-62-32180

RUBBER

SN: B10001-B11066

2шт.

8

07000-13038

O-RING

SN: B10001-@

1шт.

9

07372-21035

BOLT

SN: B10001-@

8шт.

10

01643-51032

WASHER

SN: B10001-@

8шт.

11

07371-31049

FLANGE

SN: B10001-@

4шт.

12

07372-21040

BOLT

SN: B10001-@

4шт.

13

01643-51032

WASHER

SN: B10001-@

4шт.

14

07283-33450

CLIP

SN: B10001-@

1шт.

15

07283-53444

SEAT

SN: B10001-@

1шт.

16

01597-01009

NUT

SN: B10001-@

2шт.

17

01643-31032

WASHER

SN: B10001-@

2шт.

18

417-62-33250

ELBOW

SN: B10001-B11066

1шт.

19

07002-12434

O-RING

SN: B10001-B11066

1шт.

20

02896-11012

O-RING

SN: B10001-B11066

2шт.

21

02896-11009

O-RING

SN: B10001-B11066

1шт.

22

02781-00210

UNION

SN: B10001-B11066

1шт.

23

07002-11423

O-RING

SN: B10001-B11066

1шт.

24

02896-11008

O-RING

SN: B10001-B11066

1шт.

25

417-62-31161

PLATE

SN: B10001-@

1шт.

26

01010-81255

BOLT

SN: B10001-@

2шт.

27

01643-31232

WASHER

SN: B10001-@

2шт.

28

417-62-31170

CUSHION

SN: B10001-@

2шт.

29

417-62-31180

CUSHION

SN: B10001-@

2шт.

30

417-62-14130

SPACER

SN: B10001-@

2шт.

31

419-43-17920

WASHER

SN: B10001-@

2шт.

Выбрано товаров: 31