Запчасти Komatsu WA200-5 ЗАДН. РАМА ОСНОВНАЯ РАМА И ЕЕ ЧАСТИ

Схема запчастей Komatsu WA200-5 - ЗАДН. РАМА ОСНОВНАЯ РАМА И ЕЕ ЧАСТИ
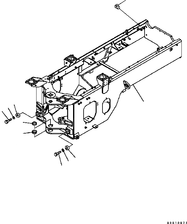
1
2
4
3
5
6
2
4
3
7
FIT
1:1
100%

Артикул

Название

Примечание

Количество

1

417-46-B2132

FRAME ASS'Y {REAR FRAME}

SN: B11944-UP

1шт.

|1

0

FRAME ASS'Y {REAR FRAME}

SN: B11149-B11943

1шт.

|1

417-971-3223

FRAME ASS'Y {REAR FRAME}

SN: B11067-B11148

1шт.

|1

417-971-3221

FRAME ASS'Y {REAR FRAME}

SN: B10639-B11066

1шт.

|1

417-971-3220

FRAME ASS'Y {REAR FRAME}

SN: B10001-B10638

1шт.

2

416-46-11210

BUMPER

SN: B10001-UP

2шт.

3

01010-81225

BOLT

SN: B10001-UP

2шт.

4

01643-31232

WASHER

SN: B10001-UP

2шт.

5

417-46-22210

BUSHING

SN: B10001-UP

1шт.

6

417-46-22220

BUSHING

SN: B10001-UP

1шт.

7

07049-01215

PLUG

SN: B10236-UP

4шт.

Выбрано товаров: 11