Запчасти Komatsu WA200-5 HINGE ПАЛЕЦ ОСНОВНАЯ РАМА И ЕЕ ЧАСТИ

Схема запчастей Komatsu WA200-5 - HINGE ПАЛЕЦ ОСНОВНАЯ РАМА И ЕЕ ЧАСТИ
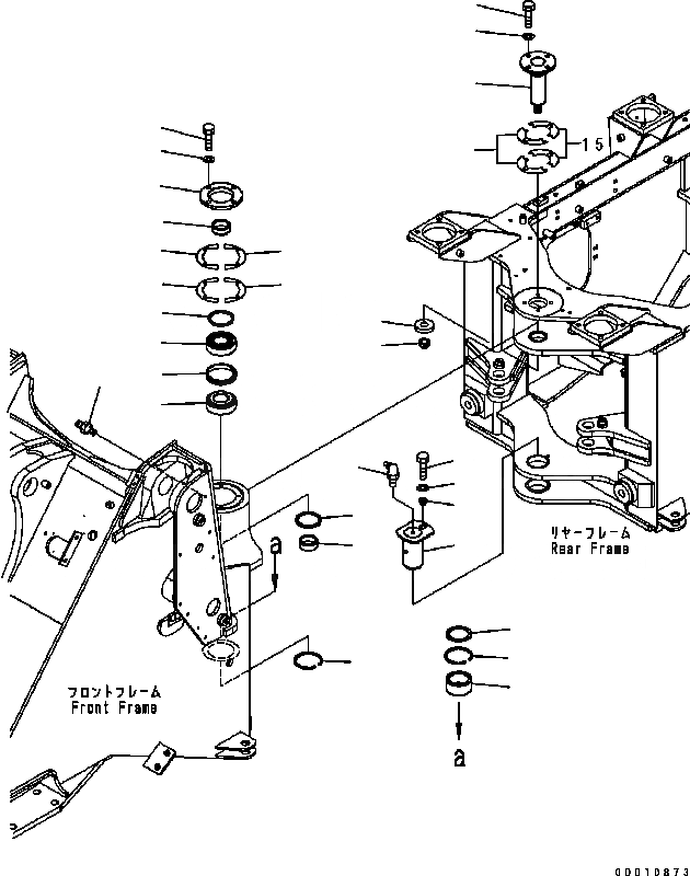
16
17
11
15
13
14
19
12
5
10
12
6
1
2
2
3
3
4
7
18
8
7
22
24
23
21
4
20
10
9
FIT
1:1
100%

Артикул

Название

Примечание

Количество

1

417-46-11220

RETAINER

SN: B10001-UP

1шт.

2

417-46-11330

SHIM¤ 0.5MM

SN: B10001-UP

6шт.

3

417-46-11340

SHIM¤ 0.1MM

SN: B10001-UP

6шт.

4

417-46-11230

SEAL {DUST}

SN: B10001-UP

2шт.

5

01010-81030

BOLT

SN: B10001-UP

4шт.

6

01643-31032

WASHER

SN: B10001-UP

4шт.

7

417-46-11120

BEARING

SN: B10001-UP

2шт.

8

417-46-11210

SPACER

SN: B10001-UP

1шт.

9

417-46-33110

BEARING

SN: B10001-UP

1шт.

10

417-46-11260

RING

SN: B10001-UP

2шт.

11

417-46-11151

PIN

SN: B10001-UP

1шт.

12

417-46-11180

SPACER

SN: B10001-UP

2шт.

13

417-46-11160

WASHER

SN: B10001-UP

1шт.

14

01597-02419

NUT

SN: B10001-UP

1шт.

15

417-46-11190

SHIM¤ 0.4MM

SN: B10001-UP

10шт.

16

01010-81230

BOLT

SN: B10001-UP

4шт.

17

01643-31232

WASHER

SN: B10001-UP

4шт.

18

07020-00000

FITTING

SN: B10001-UP

1шт.

19

417-46-11240

PIN

SN: B10001-UP

1шт.

20

417-46-11270

WASHER

SN: B10001-UP

1шт.

21

424-46-11130

BUSHING

SN: B10001-UP

1шт.

22

01010-81230

BOLT

SN: B10001-UP

1шт.

23

01643-31232

WASHER

SN: B10001-UP

1шт.

24

07020-00900

FITTING

SN: B10001-UP

1шт.

Выбрано товаров: 24