Запчасти Komatsu WA200-5 ПОЛ (ПОЛ Э/ПРОВОДКА) (ОСНОВН. Э/ПРОВОДКА) (ДЛЯ OPEN КАБИНА) КАБИНА ОПЕРАТОРА И СИСТЕМА УПРАВЛЕНИЯ

Схема запчастей Komatsu WA200-5 - ПОЛ (ПОЛ Э/ПРОВОДКА) (ОСНОВН. Э/ПРОВОДКА) (ДЛЯ OPEN КАБИНА) КАБИНА ОПЕРАТОРА И СИСТЕМА УПРАВЛЕНИЯ
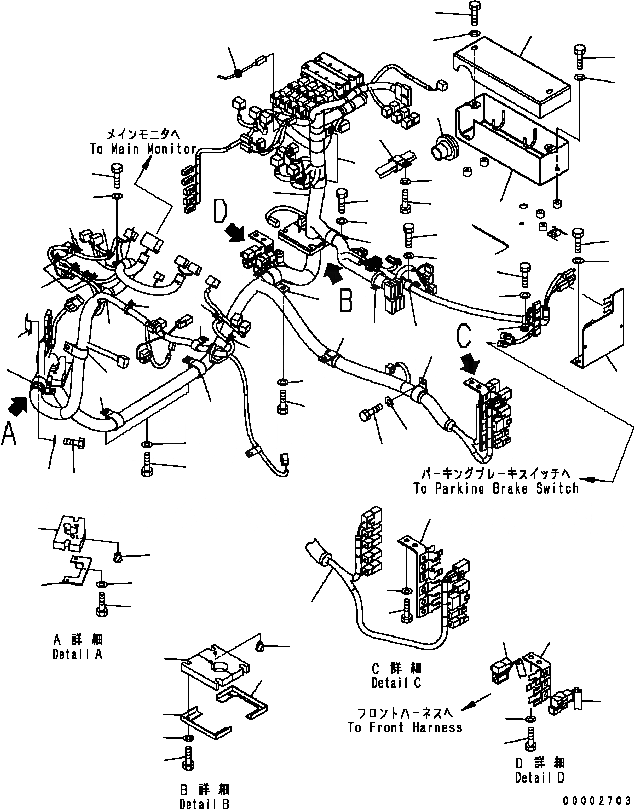
8
9
6
3
10
3
9
8
30
4
2
9
8
32
33
8
9
8
9
35
28
29
27
21
1
23
22
1
24
3
9
8
13
15
14
18
16
17
16
20
19
26
25
1
11
12
43
42
3
3
3
41
30
30
30
7
9
8
1
30
30
5
7
4
31
34
40
39
44
37
36
38
6
FIT
1:1
100%

Артикул

Название

Примечание

Количество

1

418-06-32750

WIRING HARNESS

SN: B10922-UP

1шт.

|1

418-06-32484

WIRING HARNESS

SN: B10119-B10921

1шт.

|1

418-06-32483

WIRING HARNESS

SN: B10001-B10118

1шт.

|1

20Y-06-25240

DIODE¤ 1.5A

SN: B10001-UP

1шт.

|1

20Y-06-25250

DIODE¤ 1.5A

SN: B10001-UP

2шт.

|1

20Y-06-25260

DIODE¤ 1.5A

SN: B10001-UP

1шт.

|1

283-06-16110

BOX

SN: B10001-UP

2шт.

|1

283-06-16160

TERMINAL

SN: B10001-UP

60шт.

|1

418-06-35210

DIODE¤ 3A

SN: B10119-UP

9шт.

|1

418-06-35210

DIODE¤ 3A

SN: B10001-B10118

10шт.

|1

418-06-35220

DIODE¤ 1.5A

SN: B10119-UP

3шт.

|1

418-06-35220

DIODE¤ 1.5A

SN: B10001-B10118

4шт.

2

04434-53212

CLIP

SN: B10001-UP

1шт.

3

04434-53412

CLIP

SN: B10001-UP

6шт.

4

23S-62-25850

CLIP

SN: B10001-UP

3шт.

5

04434-51912

CLIP

SN: B10001-UP

2шт.

6

04434-51912

CLIP

SN: B10001-UP

1шт.

7

04434-52312

CLIP

SN: B10001-UP

2шт.

8

01010-81016

BOLT

SN: B10001-UP

15шт.

9

01643-31032

WASHER

SN: B10001-UP

15шт.

10

08034-20519

BAND

SN: B10001-UP

8шт.

11

417-06-22410

PLATE

SN: B10001-UP

1шт.

12

418-06-32452

SHEET

SN: B10001-UP

1шт.

13

07049-01012

PLUG

SN: B10001-UP

1шт.

14

01010-80625

BOLT

SN: B10001-UP

2шт.

15

01643-30623

WASHER

SN: B10001-UP

2шт.

16

418-06-31610

PLATE

SN: B10001-UP

2шт.

17

418-06-31640

SHEET

SN: B10001-UP

1шт.

18

07049-01012

PLUG

SN: B10001-UP

1шт.

19

01010-80625

BOLT

SN: B10094-UP

4шт.

|19

01010-80612

BOLT

SN: B10001-B10093

4шт.

20

01643-30623

WASHER

SN: B10001-UP

4шт.

21

419-06-31333

BRACKET

SN: B10001-UP

1шт.

22

01010-81016

BOLT

SN: B10001-UP

2шт.

23

01643-31032

WASHER

SN: B10001-UP

2шт.

24

419-06-31343

BRACKET

SN: B10001-UP

1шт.

25

01010-81016

BOLT

SN: B10001-UP

2шт.

26

01643-31032

WASHER

SN: B10001-UP

2шт.

27

418-06-31381

BRACKET

SN: B10001-UP

1шт.

28

01010-81025

BOLT

SN: B10001-UP

2шт.

29

01643-31032

WASHER

SN: B10001-UP

2шт.

30

08059-00310

CLIP

SN: B10001-UP

18шт.

31

04434-53412

CLIP

SN: B10001-UP

1шт.

32

01010-81020

BOLT

SN: B10001-UP

1шт.

33

01643-31032

WASHER

SN: B10001-UP

1шт.

34

417-06-12560

GROMMET

SN: B10001-UP

1шт.

35

418-54-33350

COVER

SN: B10001-UP

1шт.

36

01010-81020

BOLT

SN: B10001-UP

4шт.

37

01643-31032

WASHER

SN: B10001-UP

4шт.

38

418-54-33360

COVER

SN: B10001-UP

1шт.

39

01010-81020

BOLT

SN: B10001-UP

2шт.

40

01643-31032

WASHER

SN: B10001-UP

2шт.

41

08193-21012

CLIP

SN: B10001-UP

1шт.

42

01010-81020

BOLT

SN: B10001-UP

1шт.

43

01643-31032

WASHER

SN: B10001-UP

1шт.

44

08037-13550

GROMMET

SN: B10001-UP

1шт.

Выбрано товаров: 56