Запчасти Komatsu WA200-5 КОВШ ПОЗИЦИОНЕР КАБИНА ОПЕРАТОРА И СИСТЕМА УПРАВЛЕНИЯ

Схема запчастей Komatsu WA200-5 - КОВШ ПОЗИЦИОНЕР КАБИНА ОПЕРАТОРА И СИСТЕМА УПРАВЛЕНИЯ
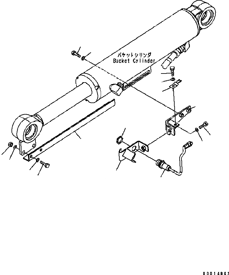
5
6
10
9
4
8
7
1
11
12
14
14
13
7
3
2
FIT
1:1
100%

Артикул

Название

Примечание

Количество

1

417-43-39123

BRACKET

SN: B10001-UP

1шт.

2

01010-81225

BOLT

SN: B10001-UP

1шт.

3

01643-31232

WASHER

SN: B10001-UP

1шт.

4

417-43-39161

BRACKET

SN: B10001-UP

1шт.

5

01010-81230

BOLT

SN: B10001-UP

2шт.

6

130-43-64260

COLLAR

SN: B10001-UP

2шт.

7

56B-06-15610

SWITCH

SN: B10001-UP

1шт.

8

08193-20010

CLIP

SN: B10001-UP

1шт.

9

01010-81016

BOLT

SN: B10001-UP

1шт.

10

01643-31032

WASHER

SN: B10001-UP

1шт.

11

417-44-31111

PLATE

SN: B10543-UP

1шт.

|111

0

PLATE

SN: B10001-B10542

1шт.

12

01010-81235

BOLT

SN: B10001-UP

2шт.

13

01580-11210

NUT

SN: B10001-UP

2шт.

14

01643-31232

WASHER

SN: B10001-UP

4шт.

Выбрано товаров: 15