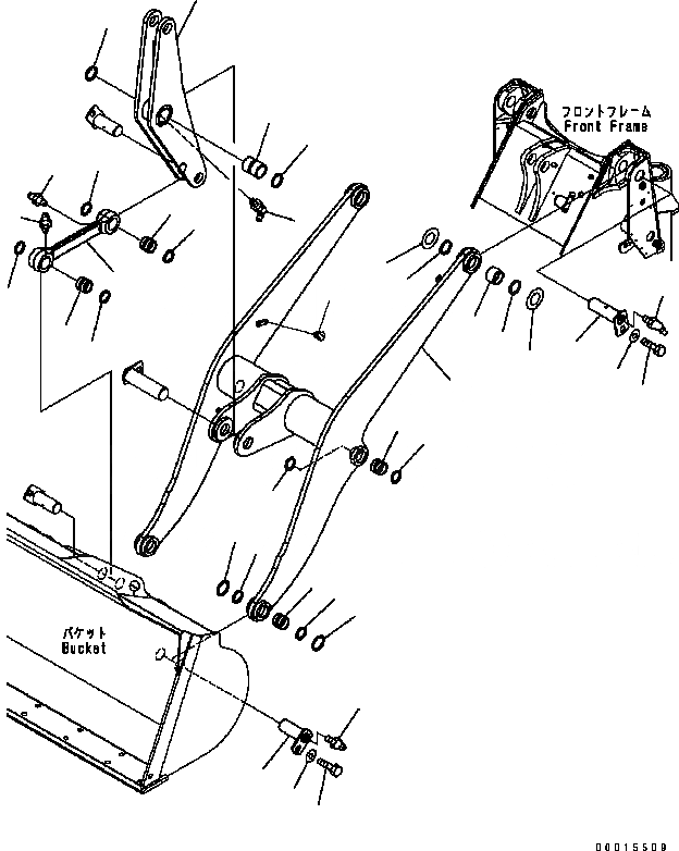
Запчасти Komatsu WA200-5 РУКОЯТЬ И КОЛЕНЧАТЫЙ РЫЧАГ (ДЛЯ 3-Х СЕКЦИОНН. КЛАПАН) РАБОЧЕЕ ОБОРУДОВАНИЕ

Схема запчастей Komatsu WA200-5 - РУКОЯТЬ И КОЛЕНЧАТЫЙ РЫЧАГ (ДЛЯ 3-Х СЕКЦИОНН. КЛАПАН) РАБОЧЕЕ ОБОРУДОВАНИЕ
6
8
16
14
18
17
15
12
7
11
12
13
13
12
11
12
10
19
23
22
16
8
9
5
3
5
1
2
4
4
21
4
2
4
21
20
24
FIT
1:1
100%

Артикул

Название

Примечание

Количество

|1

417-70-B3350

BOOM ASS'Y

SN: B10330-UP

1шт.

|1

0

BOOM ASS'Y

SN: B10228-B10329

1шт.

|1

0

BOOM ASS'Y

SN: B10001-B10227

1шт.

1

0

BOOM ASS'Y

SN: B10330-UP

1шт.

|1

0

BOOM ASS'Y

SN: B10228-B10329

1шт.

|1

0

BOOM ASS'Y

SN: B10001-B10227

1шт.

2

417-70-11860

BUSHING

SN: B10001-UP

4шт.

3

419-70-11871

BUSHING

SN: B10001-UP

2шт.

4

417-09-11120

SEAL {DUST}

SN: B10330-UP

8шт.

|4

417-09-11120

SEAL {DUST}

SN: B10001-B10329

4шт.

5

419-09-11110

SEAL {DUST}

SN: B10330-UP

4шт.

|5

419-09-11110

SEAL {DUST}

SN: B10001-B10329

2шт.

|6

417-70-31202

BELLCRANK ASS'Y

SN: B10569-UP

1шт.

|6

0

BELLCRANK ASS'Y

SN: B10001-B10568

1шт.

6

0

BELLCRANK ASS'Y

SN: B10569-UP

1шт.

|6

0

BELLCRANK ASS'Y

SN: B10001-B10568

1шт.

7

417-70-31820

BUSHING

SN: B10001-UP

1шт.

8

419-09-11110

SEAL {DUST}

SN: B10001-UP

2шт.

9

07020-00675

FITTING {GREASE}

SN: B10001-UP

1шт.

|9

417-70-31300

LINK ASS'Y

SN: B10001-UP

1шт.

10

0

LINK

SN: B10001-UP

1шт.

11

417-70-11860

BUSHING

SN: B10001-UP

2шт.

12

417-09-11120

SEAL{DUST}

SN: B10001-UP

4шт.

13

07020-00000

FITTING

SN: B10001-UP

2шт.

14

417-70-31710

PIN

SN: B10001-UP

2шт.

15

07020-00675

FITTING {GREASE}

SN: B10001-UP

2шт.

16

419-70-11440

SHIM¤ 1.5MM{1.5MM}

SN: B10001-UP

2шт.

|16

419-70-11450

SHIM¤ 3.0MM{3.0MM}

SN: B10001-UP

2шт.

17

01010-81625

BOLT

SN: B10001-UP

2шт.

18

421-70-11280

WASHER

SN: B10001-UP

2шт.

19

418-70-11910

PIN

SN: B10001-UP

2шт.

20

07020-00000

FITTING{GREASE}

SN: B10001-UP

2шт.

21

417-70-11340

SHIM¤ 1.5MM{1.5MM}

SN: B10001-UP

4шт.

22

01010-81625

BOLT

SN: B10001-UP

2шт.

23

421-70-11280

WASHER

SN: B10001-UP

2шт.

24

07049-01012

PLUG

SN: B10228-UP

8шт.

|24

07049-01012

PLUG

SN: B10001-B10227

4шт.

Выбрано товаров: 37