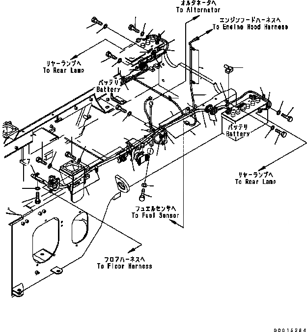
Запчасти Komatsu WA200-5 ЗАДН. Э/ПРОВОДКА (/) (ОСНОВН. Э/ПРОВОДКА) ЭЛЕКТРИКА

Схема запчастей Komatsu WA200-5 - ЗАДН. Э/ПРОВОДКА (/) (ОСНОВН. Э/ПРОВОДКА) ЭЛЕКТРИКА
12
11
8
2
6
15
14
14
15
10
10
19
10
10
10
10
1
9
10
10
3
16
17
13
15
20
14
15
14
8
11
15
14
7
14
15
17
16
10
4
18
15
14
14
15
10
5
FIT
1:1
100%

Артикул

Название

Примечание

Количество

1

418-06-32347

WIRING HARNESS

SN: B10001-UP

1шт.

2

418-06-B1130

CABLE

SN: B10001-UP

1шт.

3

08192-22100

CONNECTOR

SN: B10001-UP

1шт.

4

08191-00770

PLUG

SN: B10001-UP

2шт.

5

08037-03620

GROMMET

SN: B10001-UP

2шт.

6

426-09-11230

GROMMET

SN: B10001-UP

2шт.

7

04434-52312

CLIP

SN: B10001-UP

3шт.

8

04434-51912

CLIP

SN: B10001-UP

3шт.

9

04434-51712

CLIP

SN: B10001-UP

2шт.

10

04434-51012

CLIP

SN: B10001-UP

11шт.

11

04434-51712

CLIP

SN: B10001-UP

2шт.

12

07095-20211

CUSHION

SN: B10001-UP

2шт.

13

04434-51012

CLIP

SN: B10001-UP

2шт.

14

01010-81020

BOLT

SN: B10001-UP

17шт.

15

01643-31032

WASHER

SN: B10001-UP

17шт.

16

01010-81016

BOLT

SN: B10001-UP

2шт.

17

01643-31032

WASHER

SN: B10001-UP

2шт.

18

08193-21012

CLIP

SN: B10001-UP

1шт.

19

14X-06-12280

COVER

SN: B10001-UP

1шт.

20

08038-06031

CAP

SN: B10001-UP

2шт.

Выбрано товаров: 20