Запчасти Komatsu WA200-5 ПЕРЕДАЧА (/) (МУФТА КОЖУХ) ТРАНСМИССИЯ

Схема запчастей Komatsu WA200-5 - ПЕРЕДАЧА (/) (МУФТА КОЖУХ) ТРАНСМИССИЯ
6
14
4
2
14
3
1
8
3
5
15
13
14
12
4
7
14
9
11
14
10
FIT
1:1
100%

Артикул

Название

Примечание

Количество

|1

417-17-31004

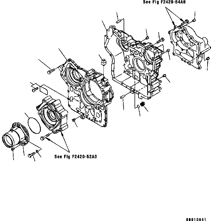
TRANSFER ASS'Y

SN: B10320-UP

1шт.

|1

0

TRANSFER ASS'Y

SN: B10001-B10319

1шт.

|$1

THESE ASSEMBLIES CONSIST OF ALL PARTS SHOWN IN FIGS.F2420-51A0 TO F2420-54A0.

-1шт.

|1

417-17-31104

CASE ASS'Y

SN: B10320-UP

1шт.

|1

417-17-31102

CASE ASS'Y

SN: B10001-B10319

1шт.

1

0

CASE {FRONT}

SN: B10320-UP

1шт.

|1

0

CASE {FRONT}

SN: B10001-B10319

1шт.

2

0

CASE {REAR}

SN: B10320-UP

1шт.

|2

0

CASE {REAR}

SN: B10001-B10319

1шт.

3

01010-81235

BOLT

SN: B10001-UP

20шт.

4

04020-01228

PIN

SN: B10001-UP

2шт.

5

07043-A0211

PLUG

SN: B10001-UP

2шт.

6

07044-12412

PLUG

SN: B10001-UP

1шт.

7

07002-12434

O-RING

SN: B10001-UP

1шт.

8

07030-00252

BREATHER

SN: B10001-UP

1шт.

9

417-17-31131

CAGE

SN: B10001-UP

1шт.

10

01010-81235

BOLT

SN: B10001-UP

6шт.

11

01643-31232

WASHER

SN: B10001-UP

6шт.

12

07000-75130

O-RING

SN: B10001-UP

1шт.

13

09608-05080

PLATE¤ NAME

SN: B10001-UP

1шт.

|13

04418-13060

SCREW

SN: B10001-UP

4шт.

14

07049-01215

PLUG

SN: B10001-UP

9шт.

15

07049-01620

PLUG

SN: B10001-UP

1шт.

Выбрано товаров: 23