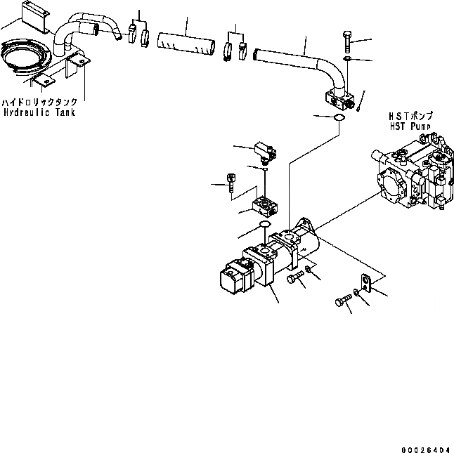
Запчасти Komatsu WA200-5 ГИДР. НАСОС. ГИДРАВЛИКА

Схема запчастей Komatsu WA200-5 - ГИДР. НАСОС. ГИДРАВЛИКА
6
3
2
5
4
1
11
15
16
18
17
10
12
14
13
9
8
7
8
FIT
1:1
100%

Артикул

Название

Примечание

Количество

1

705-56-26081

PUMP ASS'Y

SN: B10247-UP

1шт.

|1

705-56-26080

PUMP ASS'Y

SN: B10001-B10246

1шт.

2

01010-81240

BOLT

SN: B10001-UP

1шт.

3

01643-31232

WASHER

SN: B10001-UP

1шт.

4

01010-81235

BOLT

SN: B10001-UP

1шт.

5

01643-31232

WASHER

SN: B10001-UP

1шт.

6

417-18-32161

PLATE

SN: B10001-UP

1шт.

7

07260-04725

HOSE

SN: B10001-UP

1шт.

8

07289-00070

CLAMP

SN: B10001-UP

4шт.

9

417-62-33112

TUBE

SN: B10001-UP

1шт.

10

07000-12045

O-RING

SN: B10001-UP

1шт.

11

07000-13048

O-RING

SN: B10001-UP

1шт.

12

02896-11018

O-RING

SN: B10001-UP

1шт.

13

01010-81265

BOLT

SN: B10001-UP

4шт.

14

01643-51232

WASHER

SN: B10001-UP

4шт.

15

418-62-33442

FLANGE

SN: B10001-UP

1шт.

16

01252-71245

BOLT

SN: B10001-UP

4шт.

17

418-62-33490

TEE

SN: B10001-UP

1шт.

18

07002-12434

O-RING

SN: B10001-UP

1шт.

Выбрано товаров: 19