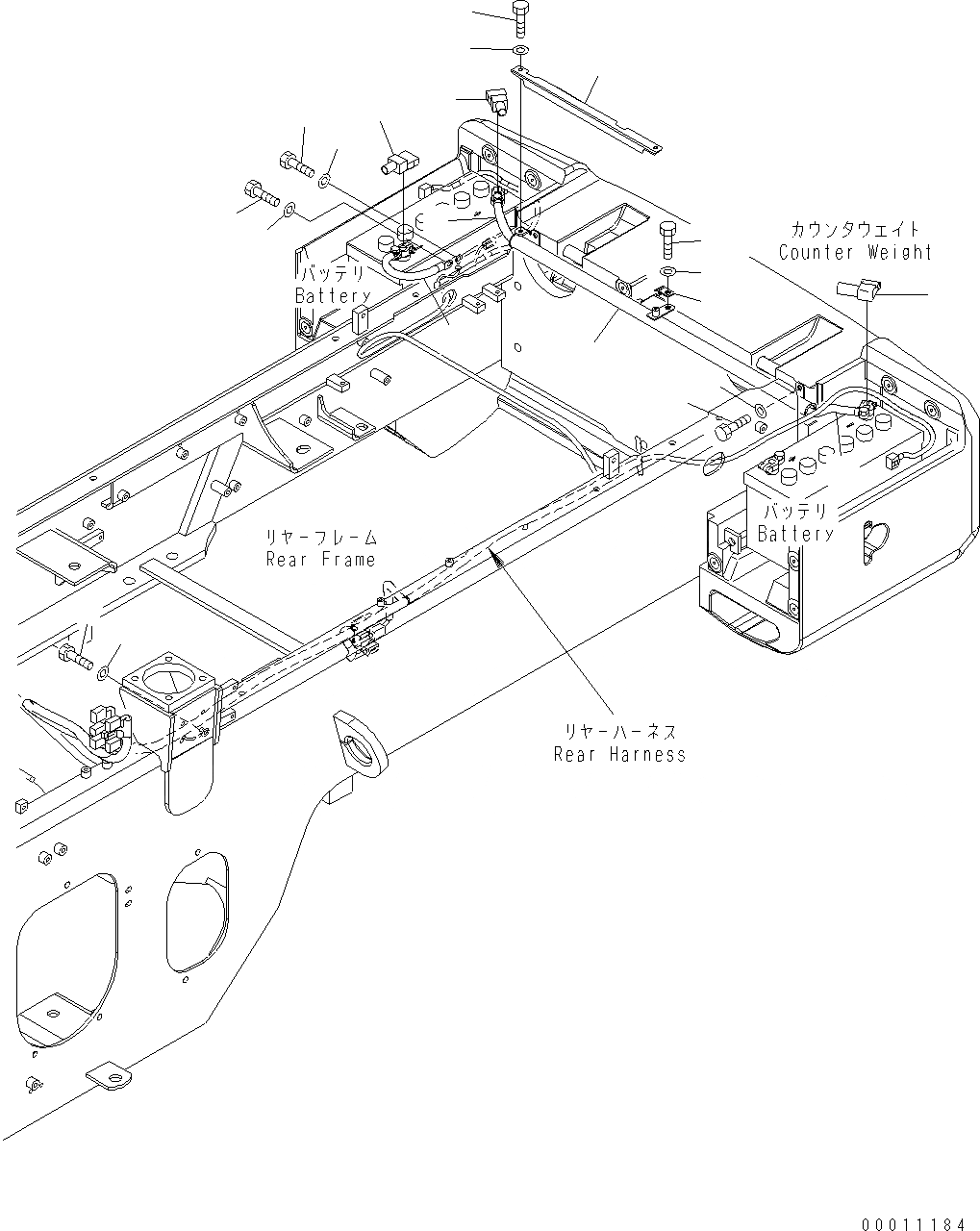
Запчасти Komatsu WA200-5 ЗАДН. Э/ПРОВОДКА (/) (АККУМУЛЯТОР КАБЕЛЬ) E ЭЛЕКТРИКА

Схема запчастей Komatsu WA200-5 - ЗАДН. Э/ПРОВОДКА (/) (АККУМУЛЯТОР КАБЕЛЬ) E ЭЛЕКТРИКА
10
11
3
9
13
14
12
8
7
2
6
15
1
16
5
4
18
17
4
5
1
FIT
1:1
100%

Артикул

Название

Примечание

Количество

1

418-06-32233

CABLE

SN: H50051-UP

1шт.

2

21J-06-11570

COVER

SN: H50051-UP

1шт.

3

08038-42009

CAP

SN: H50051-UP

1шт.

4

01010-81020

BOLT

SN: H50051-UP

2шт.

5

01643-31032

WASHER

SN: H50051-UP

2шт.

6

418-06-31422

PIPE

SN: H50051-UP

1шт.

7

01010-81020

BOLT

SN: H50051-UP

2шт.

8

01643-31032

WASHER

SN: H50051-UP

2шт.

9

418-06-31432

COVER

SN: H50051-UP

1шт.

10

01010-80816

BOLT

SN: H50051-UP

2шт.

11

01643-30823

WASHER

SN: H50051-UP

2шт.

12

04434-51008

CLIP

SN: H50051-UP

1шт.

13

01010-80820

BOLT

SN: H50051-UP

1шт.

14

01643-31032

WASHER

SN: H50051-UP

1шт.

15

418-06-32670

CABLE

SN: H50051-UP

1шт.

16

08038-22009

CAP

SN: H50051-UP

1шт.

17

01010-81020

BOLT

SN: H50051-UP

1шт.

18

01643-31032

WASHER

SN: H50051-UP

1шт.

Выбрано товаров: 18