Запчасти Komatsu WA200-5 БЛОКИР. ШАНГА И КРЫШКА(ДЛЯ 3-Х СЕКЦИОНН. КЛАПАН) J ОСНОВНАЯ РАМА И ЕЕ ЧАСТИ

Схема запчастей Komatsu WA200-5 - БЛОКИР. ШАНГА И КРЫШКА(ДЛЯ 3-Х СЕКЦИОНН. КЛАПАН) J ОСНОВНАЯ РАМА И ЕЕ ЧАСТИ
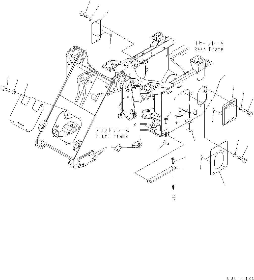
11
12
13
10
6
7
5
3
1
2
10
8
4
10
12
11
11
12
9
14
FIT
1:1
100%

Артикул

Название

Примечание

Количество

1

417-46-24140

BAR

SN: H50051-UP

1шт.

2

416-46-12230

PIN

SN: H50051-UP

1шт.

3

04050-18055

PIN

SN: H50051-UP

1шт.

4

421-46-12750

PIN

SN: H50051-UP

1шт.

5

417-V88-3210

COVER

SN: H50051-UP

1шт.

6

01010-81230

BOLT

SN: H50051-UP

4шт.

7

01643-31232

WASHER

SN: H50051-UP

4шт.

8

417-46-34410

COVER

SN: H50051-UP

1шт.

9

417-46-34420

COVER

SN: H50051-UP

1шт.

10

421-09-21420

SHEET

SN: H50051-UP

6шт.

11

01010-81225

BOLT

SN: H50051-UP

7шт.

12

01643-31232

WASHER

SN: H50051-UP

7шт.

13

417-46-34431

COVER

SN: H50051-UP

1шт.

14

416-46-12220

PIN

SN: H50051-UP

1шт.

Выбрано товаров: 14