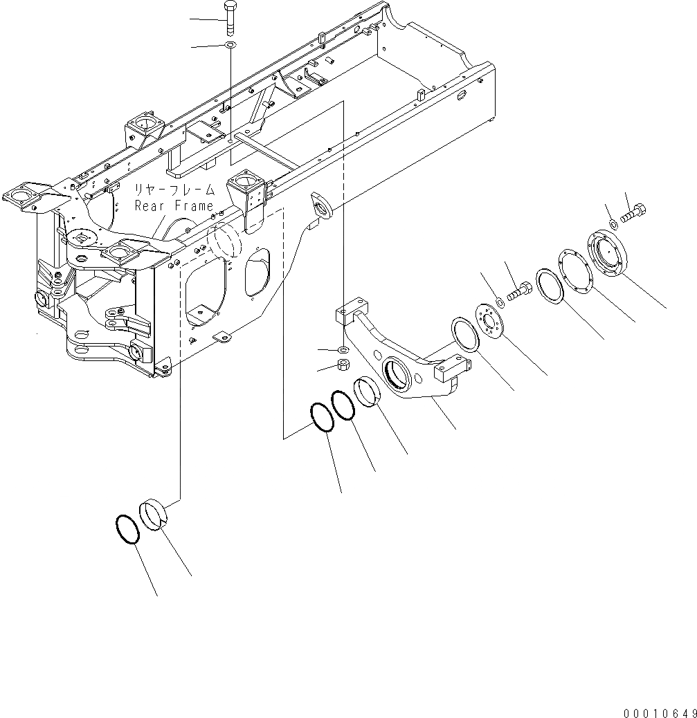
Запчасти Komatsu WA200-5 ЗАДН. МОСТ СУППОРТ J ОСНОВНАЯ РАМА И ЕЕ ЧАСТИ

Схема запчастей Komatsu WA200-5 - ЗАДН. МОСТ СУППОРТ J ОСНОВНАЯ РАМА И ЕЕ ЧАСТИ
14
15
13
12
13
16
15
9
8
1
11
5
7
6
11
10
2
4
3
FIT
1:1
100%

Артикул

Название

Примечание

Количество

1

418-46-37111

SUPPORT

SN: H50051-UP

1шт.

2

418-46-12131

COVER

SN: H50051-UP

1шт.

3

01010-61265

BOLT

SN: H50051-UP

8шт.

4

01643-31232

WASHER

SN: H50051-UP

8шт.

5

418-46-12141

PLATE

SN: H50051-UP

1шт.

6

01010-61250

BOLT

SN: H50051-UP

8шт.

7

01643-31232

WASHER

SN: H50051-UP

8шт.

8

418-46-37130

BUSHING

SN: H50051-UP

1шт.

9

421-46-15132

PACKING

SN: H50051-UP

1шт.

10

418-46-12160

SHIM, 0.2MM

SN: H50051-UP

3шт.

11

418-46-17120

WASHER

SN: H50051-UP

2шт.

12

418-46-37120

BUSHING

SN: H50051-UP

1шт.

13

421-46-15132

PACKING

SN: H50051-UP

2шт.

14

01011-62440

BOLT

SN: H50051-UP

4шт.

15

01643-32460

WASHER

SN: H50051-UP

8шт.

16

01580-02419

NUT

SN: H50051-UP

4шт.

Выбрано товаров: 16