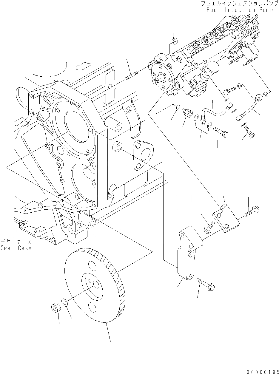
Запчасти Komatsu WA200-5 КРЕПЛЕНИЕ ТОПЛ. НАСОСА (ДЛЯ ТАХОМЕТР)(№-) AA ДВИГАТЕЛЬ

Схема запчастей Komatsu WA200-5 - КРЕПЛЕНИЕ ТОПЛ. НАСОСА (ДЛЯ ТАХОМЕТР)(№-) AA ДВИГАТЕЛЬ
6
7
12
11
15
17
16
13
14
4
3
5
2
1
8
9
10
FIT
1:1
100%

Артикул

Название

Примечание

Количество

1

6738-71-3620

BRACKET

SN: 26316011-UP

1шт.

2

6732-61-3110

BOLT

SN: 26316011-UP

2шт.

3

6738-71-3610

BRACKET

SN: 26316011-UP

1шт.

4

6735-71-3220

BOLT

SN: 26316011-UP

2шт.

5

6734-71-5610

BOLT

SN: 26316011-UP

2шт.

6

6738-71-3120

STUD

SN: 26316011-UP

4шт.

7

6736-81-6170

NUT

SN: 26316011-UP

4шт.

8

6738-71-3100

GEAR ASSEMBLY

SN: 26316011-UP

1шт.

|$9

6738-71-3110

GEAR

SN: 26316011-UP

1шт.

|$10

6738-71-3810

DAMPER

SN: 26316011-UP

1шт.

9

6130-32-1361

WASHER

SN: 26316011-UP

1шт.

10

6732-71-3690

NUT

SN: 26316011-UP

1шт.

11

6732-71-5450

NIPPLE

SN: 26316011-UP

1шт.

12

6215-81-9710

O-RING

SN: 26316011-UP

1шт.

13

07206-30710

BOLT

SN: 26316011-UP

1шт.

14

07005-01012

GASKE

SN: 26316011-UP

5шт.

15

6735-71-5411

TUBE

SN: 26316011-UP

1шт.

16

6735-71-5420

BOLT

SN: 26316011-UP

1шт.

17

6735-71-5430

TUBE

SN: 26316011-UP

1шт.

Выбрано товаров: 19