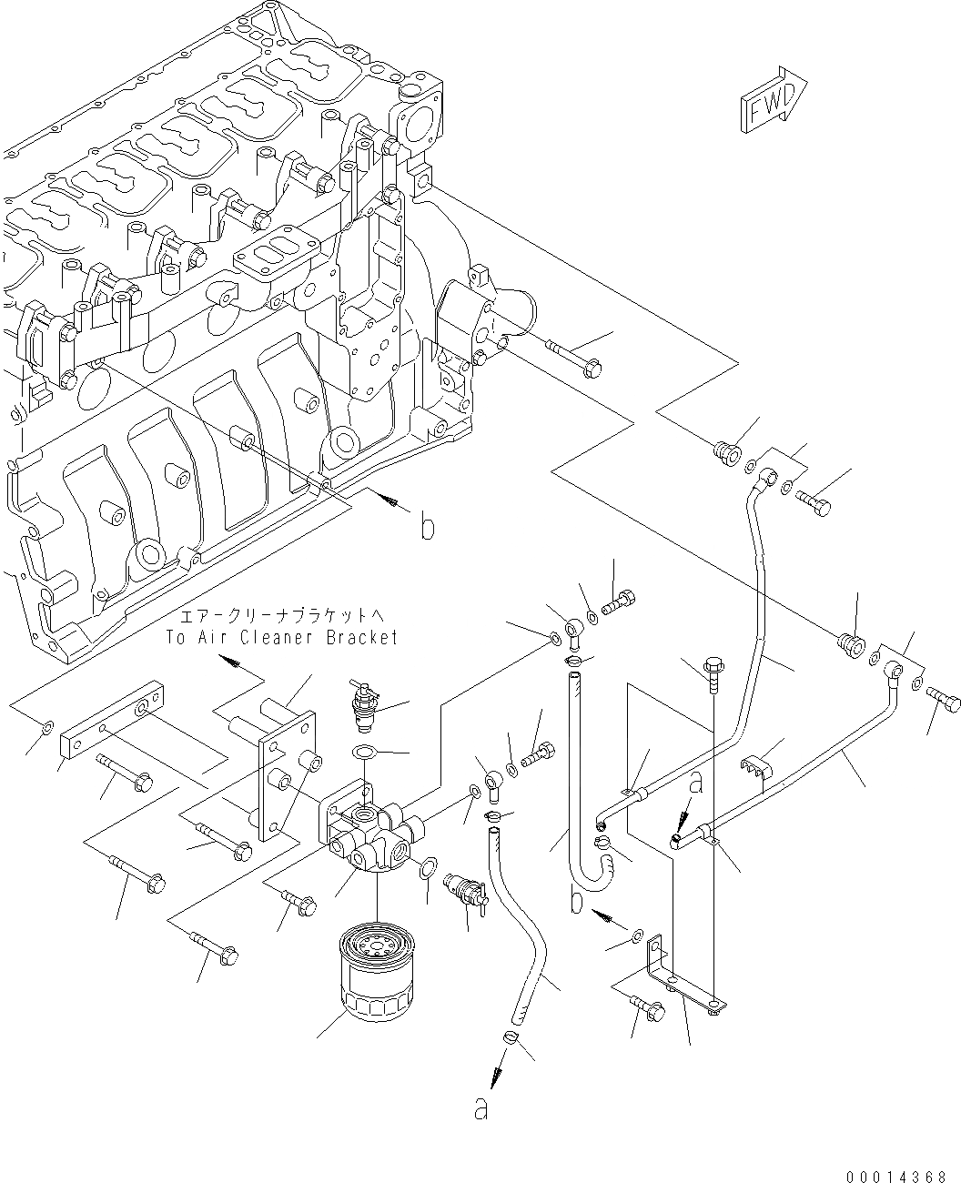
Запчасти Komatsu WA200-5 АНТИКОРРОЗ. ЭЛЕМЕНТ(№89-) AA ДВИГАТЕЛЬ

Схема запчастей Komatsu WA200-5 - АНТИКОРРОЗ. ЭЛЕМЕНТ(№89-) AA ДВИГАТЕЛЬ
7
14
16
15
19
21
20
18
22
13
26
23
24
31
32
25
31
26
27
31
29
30
28
30
29
30
28
31
32
30
2
3
4
1
10
12
17
11
3
2
9
8
5
6
FIT
1:1
100%

Артикул

Название

Примечание

Количество

|$1

6738-61-8100

CORROSION ASSEMBLY

SN: 26321894-UP

1шт.

|$2

6732-61-8300

HEAD ASSEMBLY

SN: 26321894-UP

1шт.

1

600-411-2410

HEAD

SN: 26321894-UP

1шт.

2

600-411-2120

VALVE ASSEMBLY

SN: 26321894-UP

2шт.

3

600-411-2130

GASKET

SN: 26321894-UP

2шт.

4

600-411-1191

CARTRIDGE

SN: 26321894-UP

1шт.

|$7

X16-0913850

CORRO.BRKT.G,

SN: 26321894-UP

1шт.

5

6738-11-5680

PLATE

SN: 26321894-UP

1шт.

6

01643-31032

WASHER

SN: 26321894-UP

2шт.

7

01435-01080

BOLT

SN: 26321894-UP

1шт.

8

01435-01085

BOLT

SN: 26321894-UP

1шт.

9

418-01-31240

BRACKET

SN: 26321894-UP

1шт.

10

01435-01030

BOLT

SN: 26321894-UP

2шт.

11

01435-01085

BOLT

SN: 26321894-UP

2шт.

12

01435-01050

BOLT

SN: 26321894-UP

1шт.

|$16

X16-0913860

CORRO.PIP.G,

SN: 26321894-UP

1шт.

13

419-01-31310

TUBE

SN: 26321894-UP

1шт.

14

6151-71-5910

CONNECTOR

SN: 26321894-UP

1шт.

15

07206-31014

BOLT

SN: 26321894-UP

1шт.

16

07005-01412

GASKET

SN: 26321894-UP

2шт.

17

01435-01080

BOLT

SN: 26321894-UP

1шт.

18

419-01-31320

TUBE

SN: 26321894-UP

1шт.

19

6151-71-5910

CONNECTOR

SN: 26321894-UP

1шт.

20

07206-31014

BOLT

SN: 26321894-UP

1шт.

21

07005-01412

GASKET

SN: 26321894-UP

2шт.

22

6202-72-5530

CLAMP

SN: 26321894-UP

1шт.

23

419-01-31330

BRACKET

SN: 26321894-UP

1шт.

24

01435-01225

BOLT

SN: 26321894-UP

1шт.

25

01643-31232

WASHER

SN: 26321894-UP

1шт.

26

04434-51010

CLIP

SN: 26321894-UP

2шт.

27

01435-01016

BOLT

SN: 26321894-UP

2шт.

28

6144-71-5750

JOINT

SN: 26321894-UP

2шт.

29

07206-31014

BOLT

SN: 26321894-UP

2шт.

30

07005-01412

GASKET

SN: 26321894-UP

4шт.

31

07281-00197

CLAMP

SN: 26321894-UP

4шт.

32

07260-20945

HOSE

SN: 26321894-UP

2шт.

Выбрано товаров: 36