Запчасти Komatsu WA200-5-SN БЛОКИР. ШАНГА И COVER ОСНОВНАЯ РАМА И ЕЕ ЧАСТИ

Схема запчастей Komatsu WA200-5-SN - БЛОКИР. ШАНГА И COVER ОСНОВНАЯ РАМА И ЕЕ ЧАСТИ
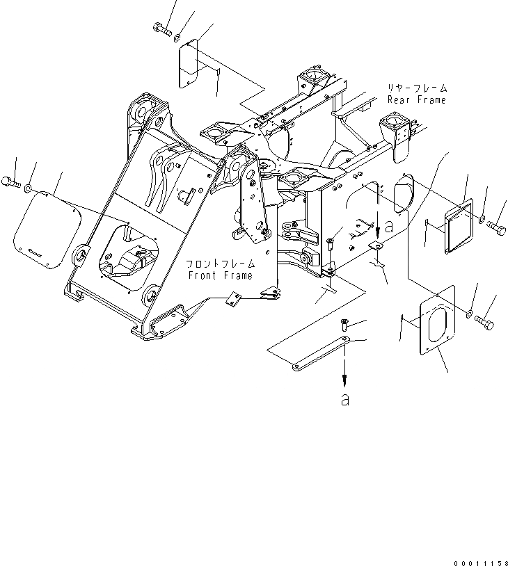
1
2
2
3
4
5
6
7
8
9
10
10
10
11
11
11
12
12
12
13
FIT
1:1
100%

Артикул

Название

Примечание

Количество

1

417-46-24110

BAR

SN: 65001-UP

1шт.

2

416-46-12230

PIN

SN: 65001-UP

2шт.

3

04050-18055

PIN

SN: 65001-UP

1шт.

4

415-46-11360

PIN,SNAP

SN: 65001-UP

1шт.

5

417-46-31330

COVER

SN: 65001-UP

1шт.

6

01010-81230

BOLT

SN: 65001-UP

4шт.

7

01643-31232

WASHER

SN: 65001-UP

4шт.

8

417-46-34410

COVER,L.H.

SN: 65001-UP

1шт.

9

417-46-34420

COVER,L.H.

SN: 65001-UP

1шт.

10

421-09-21420

SHEET

SN: 65001-UP

6шт.

11

01010-81225

BOLT

SN: 65001-UP

7шт.

12

01643-31232

WASHER

SN: 65001-UP

7шт.

13

417-46-34431

COVER,R.H.

SN: 65001-UP

1шт.

Выбрано товаров: 13