Запчасти Komatsu WA200-5-SN ОМЫВАТЕЛЬ СТЕКЛА (ДЛЯ КАБИНА ДЛЯ 2 ЧЕЛ.) КАБИНА ОПЕРАТОРА И СИСТЕМА УПРАВЛЕНИЯ

Схема запчастей Komatsu WA200-5-SN - ОМЫВАТЕЛЬ СТЕКЛА (ДЛЯ КАБИНА ДЛЯ 2 ЧЕЛ.) КАБИНА ОПЕРАТОРА И СИСТЕМА УПРАВЛЕНИЯ
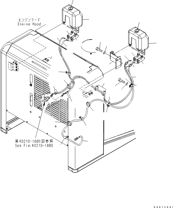
1
1
1
1
2
2
3
3
4
4
4
5
5
5
5
6
6
6
7
7
8
9
10
10
11
11
11
11
12
13
14
15
FIT
1:1
100%

Артикул

Название

Примечание

Количество

|1

423-947-1101

TANK ASS'Y

SN: 65001-UP

2шт.

1

423-947-1110

PUMP ASS'Y

SN: 65001-UP

2шт.

2

423-947-1121

TANK

SN: 65001-UP

1шт.

3

423-947-2150

CAP

SN: 65001-UP

1шт.

4

418-07-36130

HOSE

SN: 65001-UP

2шт.

5

08034-20519

BAND

SN: 65001-UP

8шт.

6

418-07-36151

HOSE

SN: 65001-UP

2шт.

7

04435-50810

CLIP

SN: 65001-UP

2шт.

8

01010-81025

BOLT

SN: 65001-UP

2шт.

9

01643-31032

WASHER

SN: 65001-UP

2шт.

10

419-944-3210

WIRING HARNESS

SN: 65001-UP

1шт.

11

04434-51012

CLIP

SN: 65001-UP

4шт.

12

418-07-36120

BRACKET

SN: 65001-UP

1шт.

13

01010-81020

BOLT

SN: 65001-UP

2шт.

14

01643-31032

WASHER

SN: 65001-UP

2шт.

15

04435-50812

CLIP

SN: 65001-UP

1шт.

Выбрано товаров: 16