Запчасти Komatsu WA200-5-SN ПЕРЕДАЧА (/) (КОРПУС) (СНЕГОУБОРОЧН. СПЕЦ-Я.) ТРАНСМИССИЯ

Схема запчастей Komatsu WA200-5-SN - ПЕРЕДАЧА (/) (КОРПУС) (СНЕГОУБОРОЧН. СПЕЦ-Я.) ТРАНСМИССИЯ
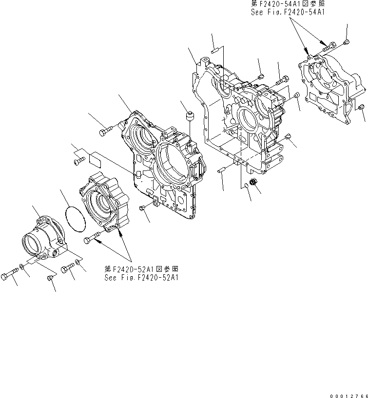
1
2
3
3
4
4
5
6
7
8
9
10
11
12
13
14
15
16
16
16
16
16
17
FIT
1:1
100%

Артикул

Название

Примечание

Количество

|1

417-17-35000

TRANSFER ASS'Y

SN: 65001-UP

1шт.

|$$2

THIS ASSEMBLY CONSISTS OF ALL PARTS SHOWN IN FIGS.F2420-51A0 TO F2420-54A0.

-1шт.

|1

417-17-31101

CASE ASS'Y

SN: 65001-UP

1шт.

1

417-17-31111

CASE,FRONT

SN: 65001-UP

1шт.

2

418-17-31122

CASE,REAR

SN: 65001-UP

1шт.

3

01010-81235

BOLT

SN: 65001-UP

20шт.

4

04020-01228

PIN

SN: 65001-UP

2шт.

5

07043-A0211

PLUG

SN: 65001-UP

2шт.

6

07044-12412

PLUG

SN: 65001-UP

1шт.

7

07002-12434

O-RING

SN: 65001-UP

1шт.

8

07030-00252

BREATHER

SN: 65001-UP

1шт.

9

417-17-35130

CAGE

SN: 65001-UP

1шт.

10

01010-81235

BOLT

SN: 65001-UP

4шт.

11

01643-31232

WASHER

SN: 65001-UP

4шт.

12

01011-81220

BOLT

SN: 65001-UP

2шт.

13

01643-31232

WASHER

SN: 65001-UP

2шт.

14

07000-75130

O-RING

SN: 65001-UP

1шт.

15

09608-05080

PLATE¤ NAME

SN: 65001-UP

1шт.

|15

04418-13060

SCREW

SN: 65001-UP

4шт.

16

07049-01215

PLUG

SN: 65001-UP

9шт.

17

07049-01620

PLUG

SN: 65001-UP

1шт.

Выбрано товаров: 21