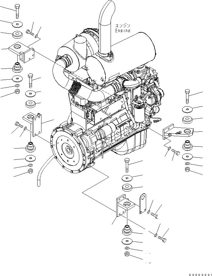
Запчасти Komatsu WA200-5-SS КРЕПЛЕНИЕ ДВИГАТЕЛЯ КОМПОНЕНТЫ ДВИГАТЕЛЯ

Схема запчастей Komatsu WA200-5-SS - КРЕПЛЕНИЕ ДВИГАТЕЛЯ КОМПОНЕНТЫ ДВИГАТЕЛЯ
1
2
3
4
5
5
5
5
6
6
6
6
6
7
8
8
8
8
8
8
8
8
9
9
9
9
10
10
10
10
11
11
11
11
12
12
12
12
13
13
13
13
FIT
1:1
100%

Артикул

Название

Примечание

Количество

1

418-01-31113

BRACKET,L.H.

SN: 65001-UP

1шт.

2

418-01-31123

BRACKET,L.H.

SN: 65001-UP

1шт.

3

418-01-31133

BRACKET,R.H.

SN: 65001-UP

1шт.

4

418-01-31143

BRACKET,R.H.

SN: 65001-UP

1шт.

5

01010-81240

BOLT

SN: 65001-UP

12шт.

6

01643-31232

WASHER

SN: 65001-UP

14шт.

7

01010-81250

BOLT

SN: 65001-UP

2шт.

8

418-01-11112

CUSHION

SN: 65001-UP

4шт.

|8

418-01-11121

CUSHION

SN: 65001-UP

1шт.

|8

0

CUSHION

SN: 65001-UP

1шт.

9

419-01-11162

WASHER

SN: 65001-UP

4шт.

10

01011-62220

BOLT

SN: 65001-UP

4шт.

11

419-01-11162

WASHER

SN: 65001-UP

4шт.

12

01580-02218

NUT

SN: 65001-UP

4шт.

13

01643-32260

WASHER

SN: 65001-UP

4шт.

Выбрано товаров: 0