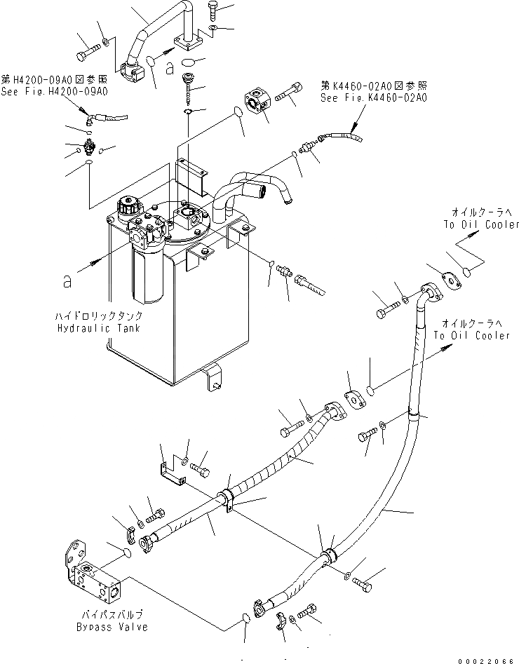
Запчасти Komatsu WA200-5-SS ГИДРОЛИНИЯ (ВОЗВРАТ. ЛИНИЯ) (МАСЛООХЛАДИТЕЛЬ) ГИДРАВЛИКА

Схема запчастей Komatsu WA200-5-SS - ГИДРОЛИНИЯ (ВОЗВРАТ. ЛИНИЯ) (МАСЛООХЛАДИТЕЛЬ) ГИДРАВЛИКА
1
2
2A
3
3
4
4
5
5
6
6
7
8
9
10
11
12
13
13
14
15
16
16
17
17
18
19
20
21
22
23
24
25
26
26
27
27
28
29
30
31
32
33
34
35
36
37
38
39
40
41
42
FIT
1:1
100%

Артикул

Название

Примечание

Количество

1

417-62-31680

HOSE

SN: 65001-UP

1шт.

2

417-62-31690

HOSE

SN: 65001-UP

1шт.

2A

08210-02904

SPIRAL TUBE

SN: 65001-UP

1шт.

3

07000-13032

O-RING

SN: 65001-UP

4шт.

4

07372-21035

BOLT

SN: 65001-UP

8шт.

5

01643-51032

WASHER

SN: 65001-UP

8шт.

6

07371-31049

FLANGE

SN: 65001-UP

4шт.

7

01010-81055

BOLT

SN: 65001-UP

2шт.

8

01643-31032

WASHER

SN: 65001-UP

2шт.

9

01010-81045

BOLT

SN: 65001-UP

2шт.

10

01643-31032

WASHER

SN: 65001-UP

2шт.

11

418-62-33550

FLANGE

SN: 65001-UP

1шт.

12

417-62-33520

FLANGE

SN: 65001-UP

1шт.

13

07000-13035

O-RING

SN: 65001-UP

2шт.

14

01010-81030

BOLT

SN: 65001-UP

1шт.

15

01643-31032

WASHER

SN: 65001-UP

1шт.

16

419-09-11150

CLIP

SN: 65001-UP

2шт.

17

418-62-32180

RUBBER

SN: 65001-UP

2шт.

18

417-62-31710

BRACKET

SN: 65001-UP

1шт.

19

01010-81020

BOLT

SN: 65001-UP

1шт.

20

01643-31032

WASHER

SN: 65001-UP

1шт.

21

01010-81020

BOLT

SN: 65001-UP

1шт.

22

01643-31032

WASHER

SN: 65001-UP

1шт.

23

281-01-13180

CLIP

SN: 65001-UP

1шт.

24

418-62-31362

FLANGE

SN: 65001-UP

1шт.

25

01252-71055

BOLT

SN: 65001-UP

4шт.

26

02781-00522

UNION

SN: 65001-UP

2шт.

27

07002-12434

O-RING

SN: 65001-UP

2шт.

28

418-62-33540

TUBE

SN: 65001-UP

1шт.

29

07000-13032

O-RING

SN: 65001-UP

1шт.

30

07000-13035

O-RING

SN: 65001-UP

1шт.

31

01010-81065

BOLT

SN: 65001-UP

4шт.

32

01643-51032

WASHER

SN: 65001-UP

4шт.

33

01010-81035

BOLT

SN: 65001-UP

4шт.

34

01643-31032

WASHER

SN: 65001-UP

4шт.

35

07000-13050

O-RING

SN: 65001-UP

1шт.

36

418-62-31620

VALVE ASS'Y

SN: 65001-UP

1шт.

37

04065-04218

RING

SN: 65001-UP

1шт.

38

07002-12034

O-RING

SN: 65001-UP

1шт.

39

02896-11008

O-RING

SN: 65001-UP

2шт.

40

02896-11009

O-RING

SN: 65001-UP

1шт.

41

02896-11015

O-RING

SN: 65001-UP

2шт.

42

418-62-34271

TEE

SN: 65001-UP

1шт.

Выбрано товаров: 43