Запчасти Komatsu WA200-5L ПЕРЕДН. КРЫЛО (ПОЛН. КРЫЛО) ЧАСТИ КОРПУСА

Схема запчастей Komatsu WA200-5L - ПЕРЕДН. КРЫЛО (ПОЛН. КРЫЛО) ЧАСТИ КОРПУСА
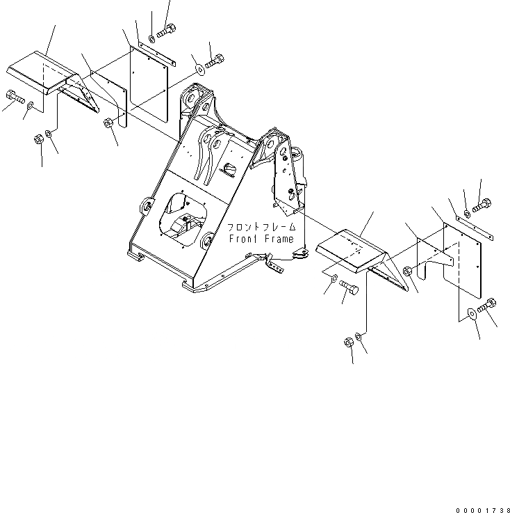
1
2
3
4
5
6
7
7
8
8
9
9
10
10
11
11
11
11
12
12
12
12
13
13
14
14
FIT
1:1
100%

Артикул

Название

Примечание

Количество

1

417-54-34133

FENDER,L.H.

SN: A82001-UP

1шт.

2

01010-81025

BOLT

SN: A82001-UP

4шт.

3

01643-31032

WASHER

SN: A82001-UP

4шт.

4

417-54-34143

FENDER,R.H.

SN: A82001-UP

1шт.

5

01010-81025

BOLT

SN: A82001-UP

4шт.

6

01643-31032

WASHER

SN: A82001-UP

4шт.

7

418-54-34660

SHEET

SN: A82001-UP

2шт.

8

418-54-34671

PLATE

SN: A82001-UP

2шт.

9

418-54-24570

PLATE

SN: A82001-UP

2шт.

10

01010-81230

BOLT

SN: A82001-UP

6шт.

11

01643-31232

WASHER

SN: A82001-UP

12шт.

12

01580-01210

NUT

SN: A82001-UP

8шт.

13

01010-81225

BOLT

SN: A82001-UP

2шт.

14

416-03-11210

WASHER

SN: A82001-UP

2шт.

Выбрано товаров: 14