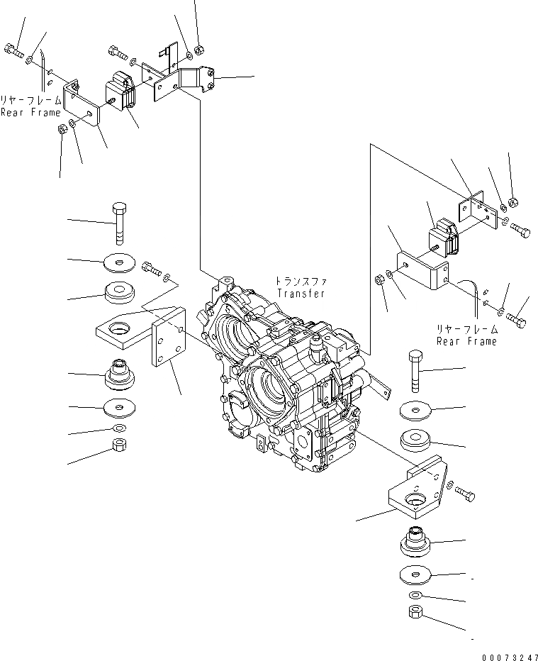
Запчасти Komatsu WA200-5L КОРПУС ПЕРЕДАЧИ КРЕПЛЕНИЕ ТРАНСМИССИЯ

Схема запчастей Komatsu WA200-5L - КОРПУС ПЕРЕДАЧИ КРЕПЛЕНИЕ ТРАНСМИССИЯ
1
2
2
3
4
4
4
4
5
5
6
6
7
7
8
8
9
9
10
10
11
11
11
11
12
12
12
12
13
13
14
14
15
16
FIT
1:1
100%

Артикул

Название

Примечание

Количество

1

BRACKET,(SEE FIG. F2420-01A0)

SN: A82001-UP

-1шт.

2

418-14-31133

PLATE

SN: A82001-UP

2шт.

3

BRACKET,(SEE FIG. F2420-01A0)

SN: A82001-UP

-1шт.

4

418-01-11112

CUSHION

SN: A82001-UP

2шт.

|$13

418-01-11121

CUSHION

SN: A82001-UP

1шт.

|$14

0

CUSHION

SN: A82001-UP

1шт.

5

419-01-11162

WASHER

SN: A82001-UP

2шт.

6

01011-62220

BOLT

SN: A82001-UP

2шт.

7

419-01-11162

WASHER

SN: A82001-UP

2шт.

8

01580-02218

NUT

SN: A82001-UP

2шт.

9

01643-32260

WASHER

SN: A82001-UP

2шт.

10

20S-01-71331

CUSHION

SN: A82001-UP

2шт.

11

01580-11008

NUT

SN: A82001-UP

4шт.

12

01643-31032

WASHER

SN: A82001-UP

4шт.

13

01010-81035

BOLT

SN: A82001-UP

4шт.

14

01643-31032

WASHER

SN: A82001-UP

4шт.

15

BRACKET,(SEE FIG. F2420-01A0)

SN: A82001-UP

-1шт.

16

BRACKET,(SEE FIG. F2420-01A0)

SN: A82001-UP

-1шт.

Выбрано товаров: 18