Запчасти Komatsu WA200-5L ГИДР. БАК. ГИДРАВЛИКА

Схема запчастей Komatsu WA200-5L - ГИДР. БАК. ГИДРАВЛИКА
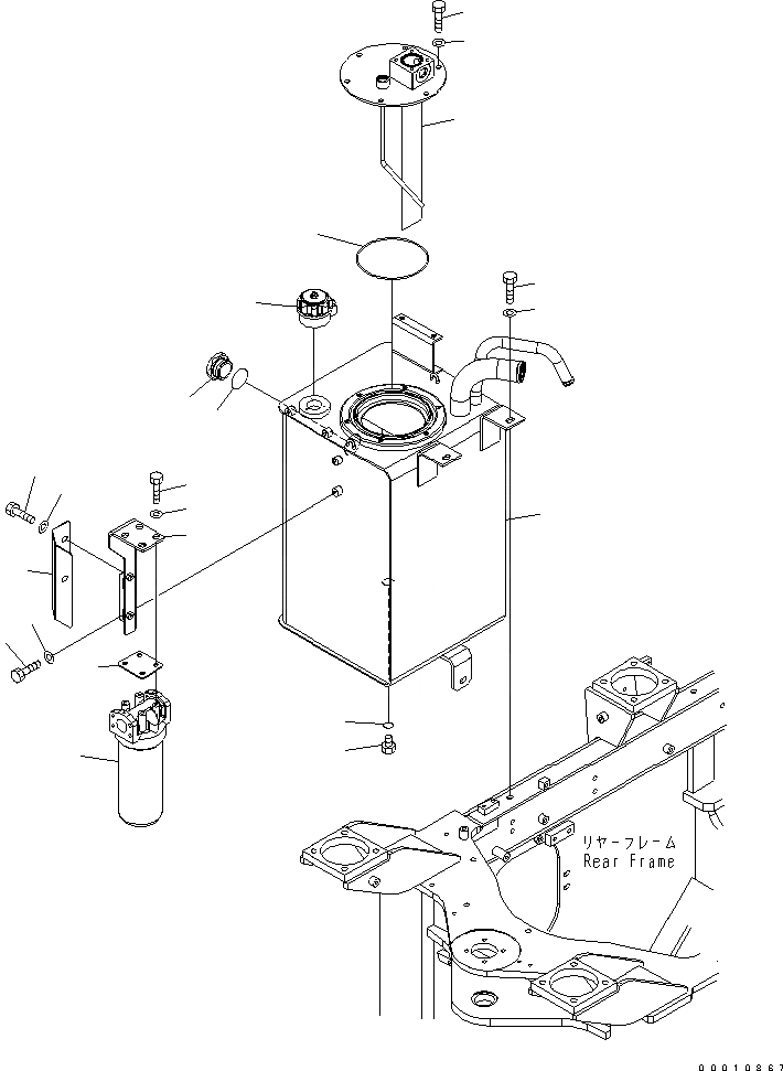
1
2
3
4
5
6
7
8
9
10
11
12
13
14
15
16
17
18
19
20
21
22
FIT
1:1
100%

Артикул

Название

Примечание

Количество

1

417-60-35113

HYDRAULIC TANK

SN: A82001-UP

1шт.

2

421-60-11622

GAUGE,SIGHT

SN: A82001-UP

1шт.

3

07002-15234

O-RING

SN: A82001-UP

1шт.

4

07040-12412

PLUG

SN: A82001-UP

1шт.

5

07002-12434

O-RING

SN: A82001-UP

1шт.

6

418-60-35120

BREATHER

SN: A82001-UP

1шт.

|$9

417-60-15380

ELEMENT

SN: A82001-UP

1шт.

7

417-60-35160

COVER ASS'Y

SN: A82001-UP

1шт.

8

01010-81025

BOLT

SN: A82001-UP

6шт.

9

01643-31032

WASHER

SN: A82001-UP

6шт.

10

07000-15200

O-RING

SN: A82001-UP

1шт.

11

01010-81235

BOLT

SN: A82001-UP

3шт.

12

01643-31232

WASHER

SN: A82001-UP

3шт.

13

419-60-35142

FILTER ASS'Y

SN: A82001-UP

1шт.

|$21

419-60-35152

CARTRIDGE

SN: A82001-UP

1шт.

14

418-60-35190

PLATE

SN: A82001-UP

1шт.

15

01010-81035

BOLT

SN: A82001-UP

4шт.

16

203-54-56970

WASHER

SN: A82001-UP

4шт.

17

418-60-35152

PLATE

SN: A82001-UP

1шт.

18

01010-81020

BOLT

SN: A82001-UP

2шт.

19

203-54-56970

WASHER

SN: A82001-UP

2шт.

20

418-60-35210

COVER

SN: A82001-UP

1шт.

21

01010-81020

BOLT

SN: A82001-UP

2шт.

22

01643-31032

WASHER

SN: A82001-UP

2шт.

Выбрано товаров: 24