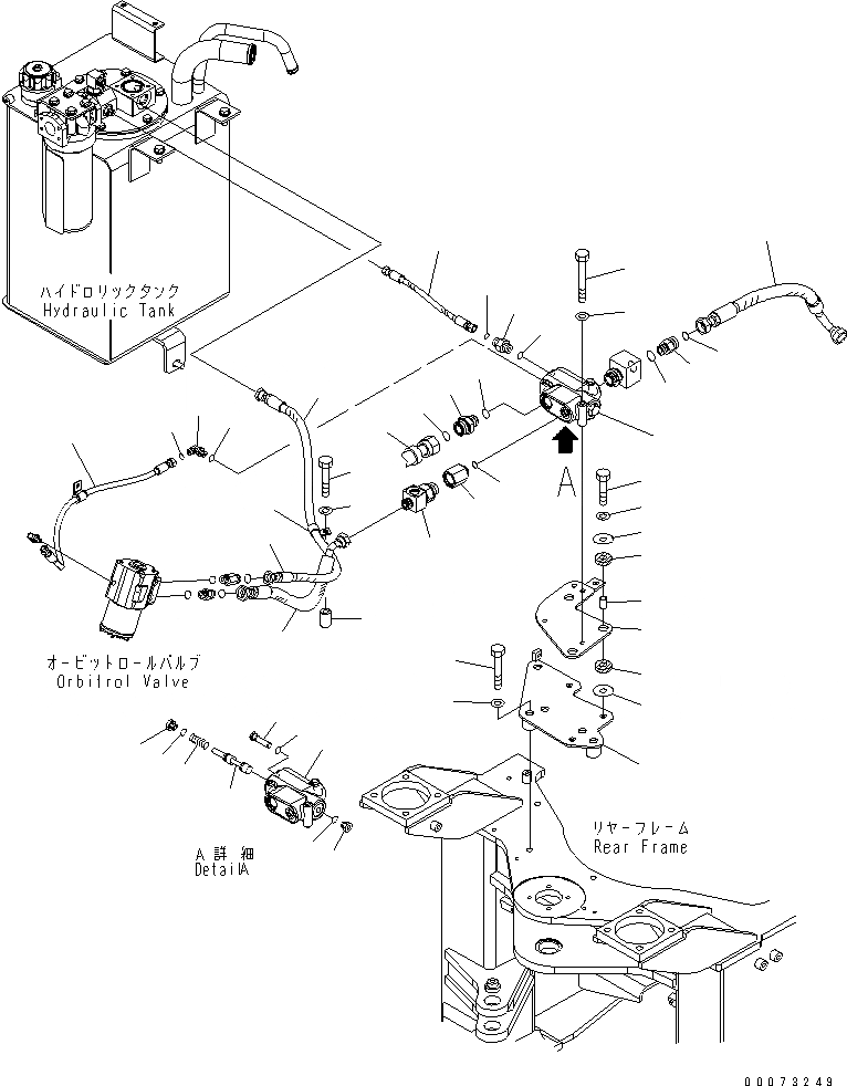
Запчасти Komatsu WA200-5L КЛАПАН РУЛЕВОГО УПРАВЛЕНИЯ (ДЛЯ ЭКСТРЕННОГО УПРАВЛЕНИЯ) ГИДРАВЛИКА

Схема запчастей Komatsu WA200-5L - КЛАПАН РУЛЕВОГО УПРАВЛЕНИЯ (ДЛЯ ЭКСТРЕННОГО УПРАВЛЕНИЯ) ГИДРАВЛИКА
1
1
2
3
4
5
6
7
7
8
9
10
11
12
13
14
15
16
16
17
18
19
20
21
22
23
24
25
25
26
27
28
29
30
31
32
33
34
35
36
37
38
39
40
41
42
43
44
45
FIT
1:1
100%

Артикул

Название

Примечание

Количество

|$2

417-64-25020

PRIORITY VALVE ASS'Y

SN: A82001-UP

1шт.

1

0

HOUSING

SN: A82001-UP

1шт.

2

417-64-25310

SPOOL

SN: A82001-UP

1шт.

3

416-64-15230

SPRING

SN: A82001-UP

1шт.

4

417-64-25330

VALVE ASS'Y

SN: A82001-UP

1шт.

5

417-64-25320

O-RING

SN: A82001-UP

1шт.

6

416-64-15250

PLUG

SN: A82001-UP

1шт.

7

416-64-15260

O-RING

SN: A82001-UP

2шт.

8

416-64-15270

PLUG

SN: A82001-UP

1шт.

9

418-64-35513

BRACKET

SN: A82001-UP

1шт.

10

01010-81665

BOLT

SN: A82001-UP

3шт.

11

01643-31645

WASHER

SN: A82001-UP

3шт.

12

418-64-35524

BRACKET

SN: A82001-UP

1шт.

13

417-62-31170

CUSHION

SN: A82001-UP

3шт.

14

417-62-31180

CUSHION

SN: A82001-UP

3шт.

15

417-62-14130

SPACER

SN: A82001-UP

3шт.

16

419-43-17920

WASHER

SN: A82001-UP

6шт.

17

01010-81255

BOLT

SN: A82001-UP

3шт.

18

01010-80885

BOLT

SN: A82001-UP

2шт.

19

01643-30823

WASHER

SN: A82001-UP

2шт.

20

01643-31232

WASHER

SN: A82001-UP

3шт.

21

417-62-31150

HOSE

SN: A82001-UP

1шт.

22

418-62-32162

ELBOW

SN: A82001-UP

1шт.

23

416-62-11480

O-RING

SN: A82001-UP

1шт.

24

02896-11008

O-RING

SN: A82001-UP

1шт.

25

417-62-31191

HOSE

SN: A82001-UP

1шт.

26

418-62-32110

NIPPLE

SN: A82001-UP

1шт.

27

416-62-11480

O-RING

SN: A82001-UP

1шт.

28

02760-00203

HOSE

SN: A82001-UP

1шт.

29

02896-11008

O-RING

SN: A82001-UP

1шт.

30

04434-51812

CLIP

SN: A82001-UP

1шт.

31

01010-81060

BOLT

SN: A82001-UP

1шт.

32

01643-31032

WASHER

SN: A82001-UP

1шт.

33

205-03-71330

COLLAR

SN: A82001-UP

1шт.

34

417-62-31561

VALVE

SN: A82001-UP

1шт.

35

415-62-11560

O-RING

SN: A82001-UP

1шт.

36

417-62-31670

UNION

SN: A82001-UP

1шт.

37

416-62-13450

O-RING

SN: A82001-UP

1шт.

38

11Y-62-11980

O-RING

SN: A82001-UP

1шт.

39

02781-00628

UNION

SN: A82001-UP

1шт.

40

07002-12434

O-RING

SN: A82001-UP

1шт.

41

02896-11018

O-RING

SN: A82001-UP

1шт.

42

HOSE,(SEE FIG. H0122-02A0)

SN: A82001-UP

-1шт.

43

TUBE,(SEE FIG. H0122-02A0)

SN: A82001-UP

-1шт.

44

HOSE, 520MM,(SEE FIG. H4200-01A0)

SN: A82001-UP

-1шт.

45

TEE,(SEE FIG. H4420-01A0)

SN: A82001-UP

-1шт.

Выбрано товаров: 46