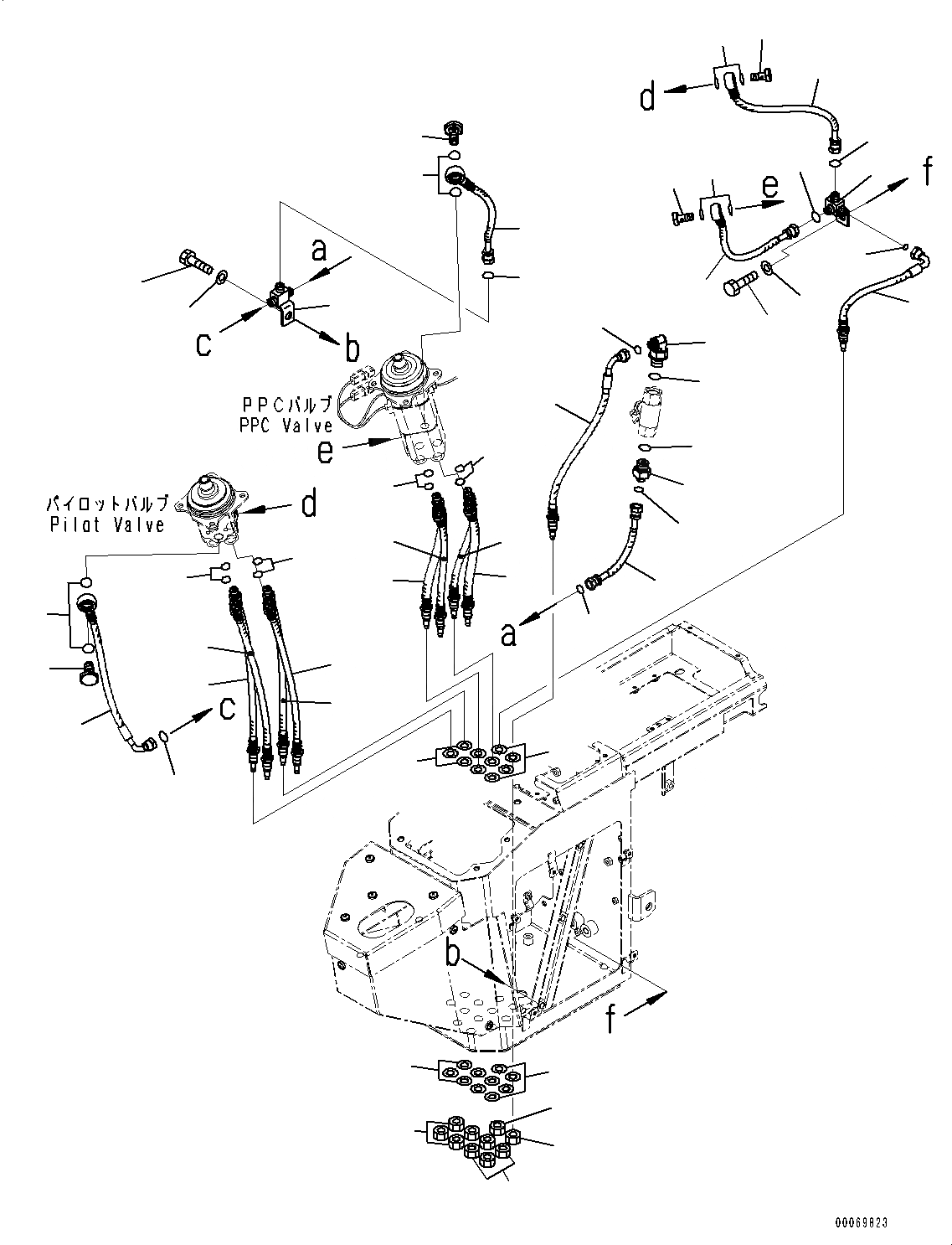
Запчасти Komatsu WA200-6 УПРАВЛЕНИЕ ПОГРУЗКОЙ БЛОК, ШЛАНГИ (№7-) УПРАВЛЕНИЕ ПОГРУЗКОЙ БЛОК, С MULTI-FUNCTION MONO РЫЧАГ И -MONO РЫЧАГ УПРАВЛ. НАВЕСН. ОБОРУД., KOMTRAX

Схема запчастей Komatsu WA200-6 - УПРАВЛЕНИЕ ПОГРУЗКОЙ БЛОК, ШЛАНГИ (№7-) УПРАВЛЕНИЕ ПОГРУЗКОЙ БЛОК, С MULTI-FUNCTION MONO РЫЧАГ И -MONO РЫЧАГ УПРАВЛ. НАВЕСН. ОБОРУД., KOMTRAX
10
11
12
31
32
33
34
35
38
35
39
25
26
27
39
41
40
1
15
23
24
36
37
37
24
18
17
16
14
13
45
44
43
30
29
28
22
20
19
43
13
9
8
5
6
2
4
3
7
39
43
21
42
FIT
1:1
100%

Артикул

Название

Примечание

Количество

1

01583-11408

Nut

SN: 70001-UP

1шт.

2

418-43-38221

Hose

SN: 70001-UP

1шт.

3

11Y-62-12170

Elbow

SN: 70001-UP

1шт.

4

02896-11008

O-ring

SN: 70001-UP

1шт.

5

07002-02034

O-ring

SN: 70001-UP

1шт.

6

8255-62-4370

Union

SN: 70001-UP

1шт.

7

07002-02034

O-ring

SN: 70001-UP

1шт.

8

02896-11008

O-ring

SN: 70001-UP

1шт.

9

418-U77-3510

Hose

SN: 70001-UP

1шт.

10

418-U77-3520

Hose

SN: 70001-UP

1шт.

11

20Y-62-18910

Plug

SN: 70001-UP

1шт.

12

07000-12018

O-ring

SN: 70001-UP

2шт.

13

07002-01423

O-ring

SN: 70001-UP

4шт.

14

418-43-38243

Hose

SN: 70001-UP

1шт.

15

01583-11408

Nut

SN: 70001-UP

4шт.

16

418-43-38253

Hose

SN: 70001-UP

1шт.

17

418-43-38262

Hose

SN: 70001-UP

1шт.

18

418-43-38272

Hose

SN: 70001-UP

1шт.

19

20Y-62-18890

Bolt, Joint

SN: 70001-UP

1шт.

20

07000-12015

O-ring

SN: 70001-UP

2шт.

21

418-U77-3540

Hose

SN: 70001-UP

1шт.

22

418-U77-3550

Hose

SN: 70001-UP

1шт.

23

01583-11408

Nut

SN: 70001-UP

1шт.

24

01643-31445

Washer, Flat

SN: 70001-UP

12шт.

25

20Y-62-18910

Plug

SN: 70001-UP

1шт.

26

07000-12018

O-ring

SN: 70001-UP

2шт.

27

418-S35-3130

Hose, Blue-Red

SN: 70001-UP

1шт.

28

20Y-62-18890

Bolt, Joint

SN: 70001-UP

1шт.

29

07000-12015

O-ring

SN: 70001-UP

2шт.

30

418-S35-3180

Hose, Black-Blue

SN: 70001-UP

1шт.

31

419-S35-3140

Hose

SN: 70001-UP

1шт.

32

419-S35-3150

Hose

SN: 70001-UP

1шт.

33

419-S35-3160

Hose

SN: 70001-UP

1шт.

34

419-S35-3170

Hose

SN: 70001-UP

1шт.

35

07002-01423

O-ring

SN: 70001-UP

4шт.

36

01583-11408

Nut

SN: 70001-UP

4шт.

37

01643-31445

Washer, Flat

SN: 70001-UP

8шт.

38

418-U77-3670

Block

SN: 70001-UP

1шт.

39

02896-11008

O-ring

SN: 70001-UP

3шт.

40

01010-81220

Bolt

SN: 70001-UP

1шт.

41

01643-31232

Washer

SN: 70001-UP

1шт.

42

418-U77-3590

Tee

SN: 70001-UP

1шт.

43

02896-11008

O-ring

SN: 70001-UP

3шт.

44

01010-81220

Bolt

SN: 70001-UP

1шт.

45

01643-31232

Washer

SN: 70001-UP

1шт.

Выбрано товаров: 45