Запчасти Komatsu WA200-6 ПЕРЕДН. КРЫЛО, (№78-) ПЕРЕДН. КРЫЛО, С ПОЛН. КРЫЛО

Схема запчастей Komatsu WA200-6 - ПЕРЕДН. КРЫЛО, (№78-) ПЕРЕДН. КРЫЛО, С ПОЛН. КРЫЛО
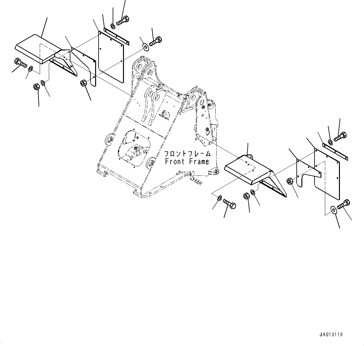
1
2
3
5
6
4
13
12
8
7
9
11
10
14
15
13
13
12
13
8
7
9
11
10
15
14
FIT
1:1
100%

Артикул

Название

Примечание

Количество

1

417-54-34134

Fender

SN: 72580-UP

1шт.

2

01010-81025

Bolt

SN: 70001-UP

4шт.

3

01643-31032

Washer

SN: 70001-UP

4шт.

4

417-54-34144

Fender

SN: 72580-UP

1шт.

5

01010-81025

Bolt

SN: 70001-UP

4шт.

6

01643-31032

Washer

SN: 70001-UP

4шт.

7

418-54-34660

Sheet

SN: 70001-UP

2шт.

8

418-54-34671

Plate

SN: 70592-UP

2шт.

9

418-54-24570

Plate

SN: 70001-UP

2шт.

10

01010-81230

Bolt

SN: 70001-UP

6шт.

11

01643-31232

Washer

SN: 70001-UP

6шт.

12

01643-31232

Washer

SN: 70001-UP

6шт.

13

01580-01210

Nut

SN: 70001-UP

8шт.

14

01010-81225

Bolt

SN: 70001-UP

2шт.

15

416-03-11210

Washer

SN: 70001-UP

2шт.

Выбрано товаров: 15