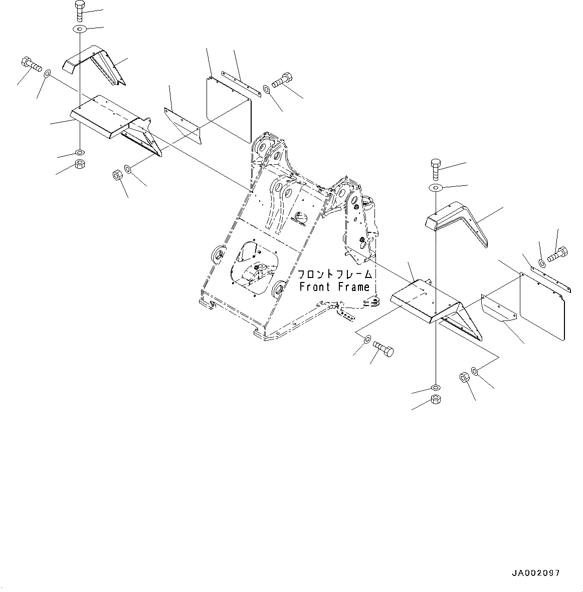
Запчасти Komatsu WA200-6 ПЕРЕДН. КРЫЛО, (№78-779) ПЕРЕДН. КРЫЛО, С ШИР. КРЫЛО

Схема запчастей Komatsu WA200-6 - ПЕРЕДН. КРЫЛО, (№78-779) ПЕРЕДН. КРЫЛО, С ШИР. КРЫЛО
11
12
13
7
9
15
14
21
17
1
2
3
4
6
5
11
12
10
8
16
18
21
18
15
20
19
14
13
19
20
FIT
1:1
100%

Артикул

Название

Примечание

Количество

1

417-54-31513

Fender

SN: 72580-@

1шт.

1

417-54-31512

Fender

SN: 70592-72579

1шт.

1

417-54-31511

Fender

SN: 70048-70591

1шт.

2

01010-81025

Bolt

SN: 70048-@

4шт.

3

01643-31032

Washer

SN: 70048-@

4шт.

4

417-54-31523

Fender

SN: 72580-@

1шт.

4

417-54-31522

Fender

SN: 70592-72579

1шт.

4

417-54-31521

Fender

SN: 70048-70591

1шт.

5

01010-81025

Bolt

SN: 70048-@

4шт.

6

01643-31032

Washer

SN: 70048-@

4шт.

7

417-54-31530

Sheet

SN: 70048-@

1шт.

8

417-54-31540

Sheet

SN: 70048-@

1шт.

9

417-54-31750

Plate

SN: 70048-@

1шт.

10

417-54-31760

Plate

SN: 70048-@

1шт.

11

417-54-31590

Plate

SN: 70048-@

2шт.

12

01010-81230

Bolt

SN: 70048-@

8шт.

13

01643-31232

Washer

SN: 70048-@

8шт.

14

01580-01210

Nut

SN: 70048-@

8шт.

15

01643-31232

Washer

SN: 70048-@

8шт.

16

418-54-34911

Cover

SN: 70048-@

1шт.

17

418-54-34921

Cover

SN: 70048-@

1шт.

18

01010-D1025

Bolt

SN: 70048-@

10шт.

19

421-54-34550

Washer

SN: 70048-@

10шт.

20

01580-01008

Nut

SN: 70048-@

6шт.

21

01643-31032

Washer

SN: 70048-@

6шт.

Выбрано товаров: 25