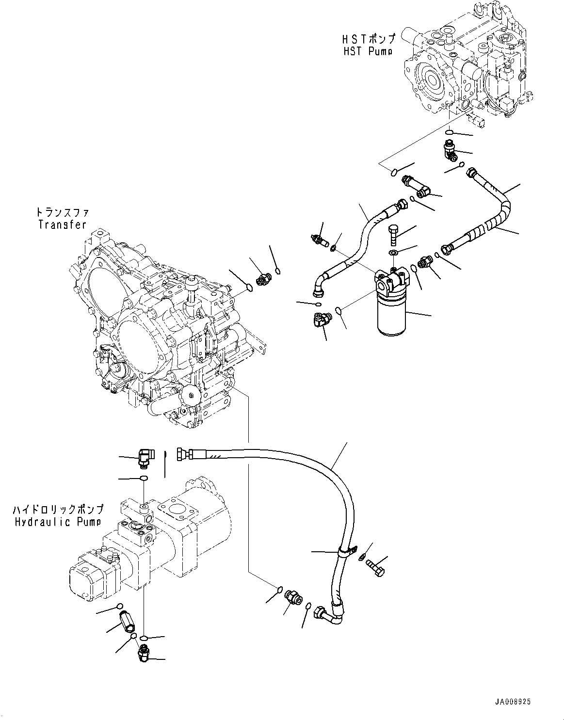
Запчасти Komatsu WA200-6 ГИДРОЛИНИЯ, ФИЛЬТР. И ПЕРЕДАЧА ТРУБЫ (№7-) ГИДРОЛИНИЯ, БЕЗ ЭКСТРЕНН. РУЛЕВ. УПРАВЛЕНИЕ, АВТОМАТИЧ. УПРАВЛ-Е ТИП

Схема запчастей Komatsu WA200-6 - ГИДРОЛИНИЯ, ФИЛЬТР. И ПЕРЕДАЧА ТРУБЫ (№7-) ГИДРОЛИНИЯ, БЕЗ ЭКСТРЕНН. РУЛЕВ. УПРАВЛЕНИЕ, АВТОМАТИЧ. УПРАВЛ-Е ТИП
30
19
23
16
17
26
28
24
25
21
20
22
28
29
31
32
27
18
9
6
8
8
7
5
4
2
1
3
9
14
9
9
10
12
13
14
15
11
FIT
1:1
100%

Артикул

Название

Примечание

Количество

|$0

418-18-34110

Filter Assembly, Charge

SN: 70001-UP

1шт.

1

415-18-11150

Sensor, Pressure

SN: 70001-UP

1шт.

2

415-18-11160

Washer

SN: 70001-UP

1шт.

3

418-18-34160

Cartridge

SN: 70001-UP

1шт.

4

01010-80825

Bolt

SN: 70001-UP

4шт.

5

01643-30823

Washer

SN: 70001-UP

4шт.

6

02781-00422

Union

SN: 70001-UP

1шт.

7

02782-10422

Elbow

SN: 70001-UP

1шт.

8

07002-12034

O-ring

SN: 70001-UP

2шт.

9

02896-11012

O-ring

SN: 70001-UP

4шт.

10

418-18-42370

Hose Assembly

SN: 70070-UP

1шт.

10

418-18-32371

Hose Assembly

SN: 70001-70069

1шт.

11

08210-01802

Tube, Spiral

SN: 70070-UP

1шт.

12

02754-00406

Hose, Face Seal Type

SN: 70001-UP

1шт.

13

418-62-35111

Elbow

SN: 70001-UP

1шт.

14

07000-12018

O-ring

SN: 70001-UP

2шт.

15

417-18-41190

Elbow

SN: 70001-UP

1шт.

16

02762-00510

Hose, Face Seal Type

SN: 70001-UP

1шт.

17

02782-10516

Elbow

SN: 70001-UP

1шт.

18

07002-22034

O-ring

SN: 70001-UP

1шт.

19

02896-21015

O-ring

SN: 70001-UP

1шт.

20

02782-10524

Elbow

SN: 70001-UP

1шт.

21

07002-22434

O-ring

SN: 70001-UP

1шт.

22

02896-21015

O-ring

SN: 70001-UP

1шт.

23

04434-52310

Clip

SN: 70001-UP

1шт.

24

01010-81020

Bolt

SN: 70001-UP

1шт.

25

01643-31032

Washer

SN: 70001-UP

1шт.

26

02781-00422

Union

SN: 70001-UP

1шт.

27

07002-21823

O-ring

SN: 70001-UP

1шт.

28

02896-21012

O-ring

SN: 70001-UP

2шт.

29

02782-10420

Elbow

SN: 70001-UP

1шт.

30

07002-12034

O-ring

SN: 70001-UP

1шт.

31

02896-21012

O-ring

SN: 70001-UP

1шт.

32

418-18-41430

Union

SN: 70001-UP

1шт.

Выбрано товаров: 0