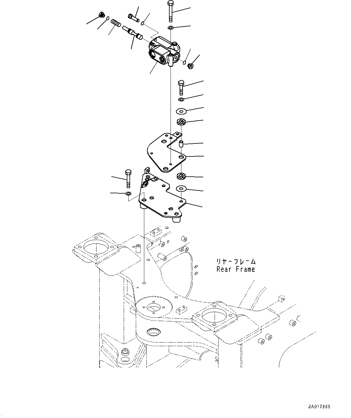
Запчасти Komatsu WA200-6 КЛАПАН УПРАВЛЕНИЯ ПОВОРОТОМ, ПРИОРИТЕТН. КЛАПАН (№7-) КЛАПАН УПРАВЛЕНИЯ ПОВОРОТОМ, С ЭКСТРЕНН. УПРАВЛ., АВТОМАТИЧ. УПРАВЛ-Е ТИП

Схема запчастей Komatsu WA200-6 - КЛАПАН УПРАВЛЕНИЯ ПОВОРОТОМ, ПРИОРИТЕТН. КЛАПАН (№7-) КЛАПАН УПРАВЛЕНИЯ ПОВОРОТОМ, С ЭКСТРЕНН. УПРАВЛ., АВТОМАТИЧ. УПРАВЛ-Е ТИП
19
20
10
11
9
16
13
15
12
14
18
17
16
5
4
1
8
7
3
6
7
2
FIT
1:1
100%

Артикул

Название

Примечание

Количество

|$0

417-64-25020

Valve Assembly, Priority

SN: 70001-UP

1шт.

1

Housing

SN: 70001-UP

1шт.

2

Spool

SN: 70001-UP

1шт.

3

416-64-15230

Spring

SN: 70001-UP

1шт.

4

417-64-25330

Valve Assembly

SN: 70001-UP

1шт.

5

417-64-25320

O-ring

SN: 70001-UP

1шт.

6

416-64-15250

Plug

SN: 70001-UP

1шт.

7

416-64-15260

O-ring

SN: 70001-UP

2шт.

8

416-64-15270

Plug

SN: 70001-UP

1шт.

9

418-64-45510

Bracket

SN: 72144-UP

1шт.

10

01010-81665

Bolt

SN: 70001-UP

3шт.

11

01643-31645

Washer

SN: 70001-UP

3шт.

12

418-64-35524

Bracket

SN: 70001-UP

1шт.

13

417-62-31170

Cushion

SN: 70001-UP

3шт.

14

417-62-31180

Cushion

SN: 70001-UP

3шт.

15

417-54-13470

Spacer

SN: 70001-UP

3шт.

16

419-43-17920

Washer

SN: 70001-UP

6шт.

17

01010-81255

Bolt

SN: 70001-UP

3шт.

18

01643-31232

Washer

SN: 70001-UP

3шт.

19

01010-80885

Bolt

SN: 70001-UP

2шт.

20

01643-30823

Washer

SN: 70001-UP

2шт.

Выбрано товаров: 21