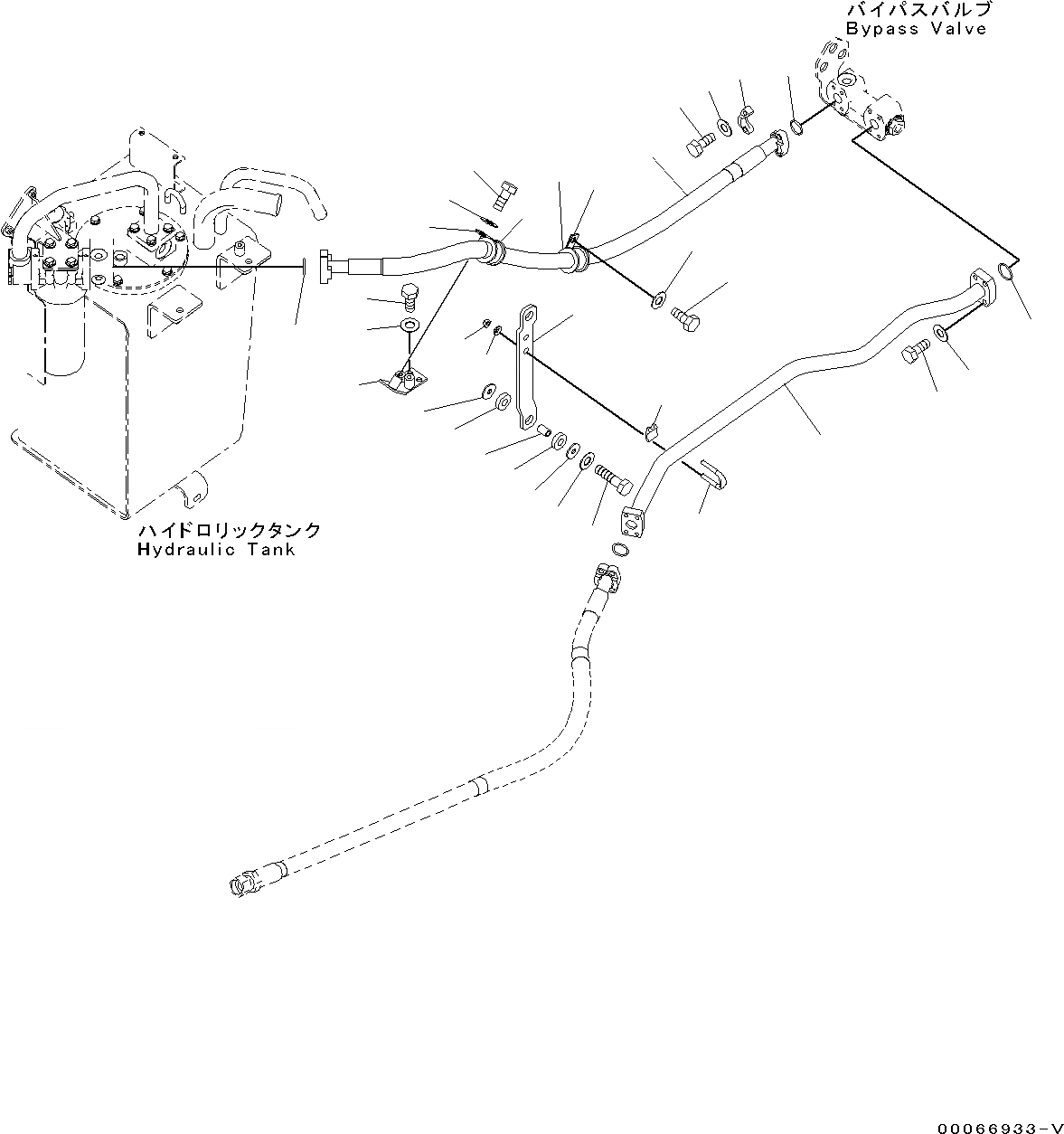
Запчасти Komatsu WA200-6 ГИДРОЛИНИЯ, ТРУБЫ (/) (№7-7) ГИДРОЛИНИЯ, С 3-Х СЕКЦ. КОНТР. КЛАПАНОМ

Схема запчастей Komatsu WA200-6 - ГИДРОЛИНИЯ, ТРУБЫ (/) (№7-7) ГИДРОЛИНИЯ, С 3-Х СЕКЦ. КОНТР. КЛАПАНОМ
1
11
15
21
27
26
27
25
24
22
18
17
20
19
7
10
8
4
5
7
10
8
2
3
3
14
12
13
16
23
9
6
9
FIT
1:1
100%

Артикул

Название

Примечание

Количество

1

417-62-41340

Tube

SN: 70001-@

1шт.

2

417-62-41480

Hose

SN: 70001-@

1шт.

3

07000-13032

O-ring

SN: 70001-@

2шт.

4

417-62-41420

Bracket

SN: 70001-70036

1шт.

5

01010-81020

Bolt

SN: 70001-70036

2шт.

6

01643-31032

Washer

SN: 70001-70036

2шт.

7

419-09-11150

Clip

SN: 70001-@

2шт.

8

01010-81020

Bolt

SN: 70001-@

2шт.

9

01643-31032

Washer

SN: 70001-@

2шт.

10

21T-62-76840

Cushion

SN: 70001-@

2шт.

11

07000-13038

O-ring

SN: 70001-@

1шт.

12

07372-21035

Bolt

SN: 70001-@

8шт.

13

01643-51032

Washer

SN: 70001-@

8шт.

14

07371-31049

Flange, Split

SN: 70001-@

4шт.

15

07372-21040

Bolt

SN: 70001-@

4шт.

16

01643-51032

Washer

SN: 70001-@

4шт.

17

07283-33450

Clip

SN: 70001-@

1шт.

18

07283-53444

Seat

SN: 70001-@

1шт.

19

01597-01009

Nut

SN: 70001-@

2шт.

20

01643-31032

Washer

SN: 70001-@

2шт.

21

418-62-41160

Plate

SN: 70001-@

1шт.

22

01010-81050

Bolt

SN: 70001-@

2шт.

23

01643-31032

Washer

SN: 70001-@

2шт.

24

417-62-31170

Cushion

SN: 70001-@

2шт.

25

417-62-31180

Cushion

SN: 70001-@

2шт.

26

421-62-18560

Spacer

SN: 70001-@

2шт.

27

419-43-17920

Washer

SN: 70001-@

4шт.

Выбрано товаров: 27