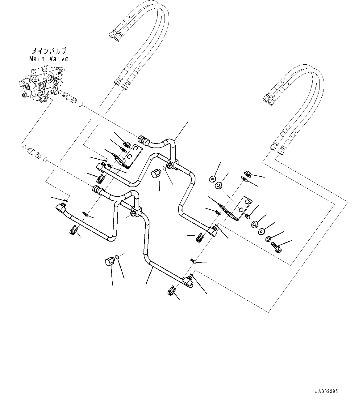
Запчасти Komatsu WA200-6 ГИДРОЛИНИЯ, ГИДРОЦИЛИНДР ПОДЪЕМА ТРУБЫ (/) (№7-779) ГИДРОЛИНИЯ, С 4-Х СЕКЦИОНН. УПРАВЛЯЮЩ. КЛАПАН

Схема запчастей Komatsu WA200-6 - ГИДРОЛИНИЯ, ГИДРОЦИЛИНДР ПОДЪЕМА ТРУБЫ (/) (№7-779) ГИДРОЛИНИЯ, С 4-Х СЕКЦИОНН. УПРАВЛЯЮЩ. КЛАПАН
14
4
4
8
13
7
15
6
15
9
9
6
12
16
17
6
7
8
11
9
6
1
5
4
4
2
10
9
3
5
3
FIT
1:1
100%

Артикул

Название

Примечание

Количество

1

417-62-33172

Tube

SN: 70001-71790

1шт.

2

417-62-33181

Tube

SN: 70001-71790

1шт.

3

02896-11018

O-ring

SN: 70001-71790

2шт.

4

02896-11015

O-ring

SN: 70001-71790

4шт.

5

02789-10628

Plug

SN: 70001-71790

2шт.

6

07283-32236

Clip, Pipe

SN: 70001-71790

4шт.

7

01597-01009

Nut

SN: 70001-71790

8шт.

8

01643-31032

Washer

SN: 70001-71790

8шт.

9

07283-52232

Seat

SN: 70001-71790

4шт.

10

417-62-33281

Bracket

SN: 70592-71790

1шт.

10

417-62-33280

Bracket

SN: 70001-70591

1шт.

11

417-62-33291

Bracket

SN: 70592-71790

1шт.

11

417-62-33290

Bracket

SN: 70001-70591

1шт.

12

415-64-13130

Cushion

SN: 70001-71790

4шт.

13

419-43-17930

Cushion

SN: 70001-71790

4шт.

14

417-54-13470

Spacer

SN: 70001-71790

4шт.

15

415-64-13120

Washer

SN: 70001-71790

8шт.

16

01010-81060

Bolt

SN: 70001-71790

4шт.

17

01643-31032

Washer

SN: 70001-71790

4шт.

Выбрано товаров: 19