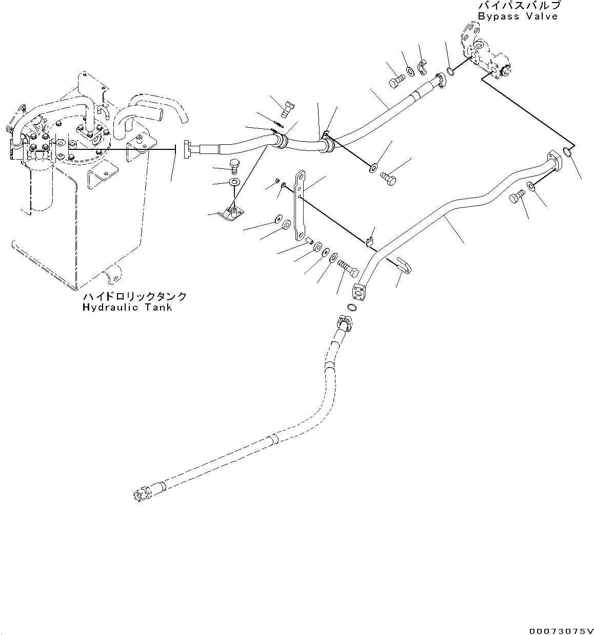
Запчасти Komatsu WA200-6 ГИДРОЛИНИЯ, ТРУБЫ (/) (№7-78) ГИДРОЛИНИЯ, С 4-Х СЕКЦИОНН. УПРАВЛЯЮЩ. КЛАПАН

Схема запчастей Komatsu WA200-6 - ГИДРОЛИНИЯ, ТРУБЫ (/) (№7-78) ГИДРОЛИНИЯ, С 4-Х СЕКЦИОНН. УПРАВЛЯЮЩ. КЛАПАН
1
8
12
18
24
23
24
22
21
19
15
14
17
16
4
7
5
25
26
4
7
5
2
3
3
11
9
10
13
20
6
27
6
FIT
1:1
100%

Артикул

Название

Примечание

Количество

1

417-62-41340

Tube

SN: 70001-@

1шт.

2

417-62-41480

Hose

SN: 70001-@

1шт.

3

07000-13032

O-ring

SN: 70001-@

2шт.

4

419-09-11150

Clip

SN: 70001-70826

2шт.

5

01010-81020

Bolt

SN: 70001-70826

2шт.

6

01643-31032

Washer

SN: 70001-70826

2шт.

7

21T-62-76840

Cushion

SN: 70001-@

2шт.

8

07000-13038

O-ring

SN: 70001-@

1шт.

9

07372-21035

Bolt

SN: 70001-@

8шт.

10

01643-51032

Washer

SN: 70001-@

8шт.

11

07371-31049

Flange, Split

SN: 70001-@

4шт.

12

07372-21040

Bolt

SN: 70001-@

4шт.

13

01643-51032

Washer

SN: 70001-@

4шт.

14

07283-33450

Clip

SN: 70001-@

1шт.

15

07283-53444

Seat

SN: 70001-@

1шт.

16

01597-01009

Nut

SN: 70001-@

2шт.

17

01643-31032

Washer

SN: 70001-@

2шт.

18

418-62-41160

Plate

SN: 70001-@

1шт.

19

01010-81050

Bolt

SN: 70001-@

2шт.

20

01643-31032

Washer

SN: 70001-@

2шт.

21

417-62-31170

Cushion

SN: 70001-@

2шт.

22

417-62-31180

Cushion

SN: 70001-@

2шт.

23

421-62-18560

Spacer

SN: 70001-@

2шт.

24

419-43-17920

Washer

SN: 70001-@

4шт.

25

417-62-41420

Bracket

SN: 70037-@

1шт.

26

01010-81020

Bolt

SN: 70037-@

2шт.

27

01643-31032

Washer

SN: 70037-@

2шт.

Выбрано товаров: 27