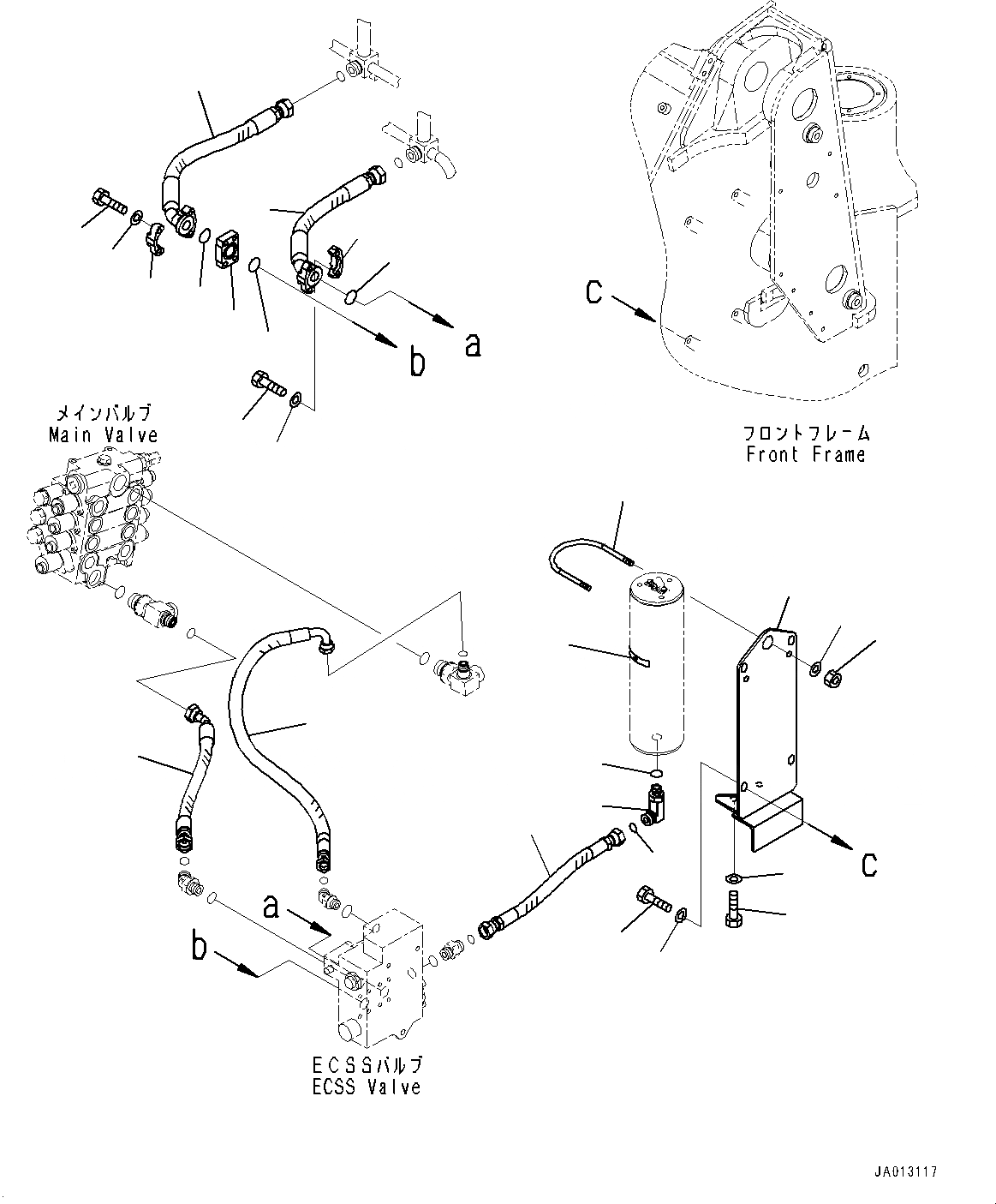
Запчасти Komatsu WA200-6 ГИДРОЛИНИЯ, ГИДРОЛИНИЯ ЭКСТРЕННОГО УПРАВЛЕНИЯ (№779-) ГИДРОЛИНИЯ, С 4-Х СЕКЦИОНН. УПРАВЛЯЮЩ. КЛАПАН, ECSS

Схема запчастей Komatsu WA200-6 - ГИДРОЛИНИЯ, ГИДРОЛИНИЯ ЭКСТРЕННОГО УПРАВЛЕНИЯ (№779-) ГИДРОЛИНИЯ, С 4-Х СЕКЦИОНН. УПРАВЛЯЮЩ. КЛАПАН, ECSS
17
19
21
14
16
18
15
20
23
24
12
11
10
9
8
6
3
13
2
5
7
1
4
15
15
14
22
FIT
1:1
100%

Артикул

Название

Примечание

Количество

1

01010-81230

Bolt

SN: 71791-UP

2шт.

2

01643-31232

Washer

SN: 71791-UP

2шт.

3

421-S99-3132

Clip

SN: 71791-UP

1шт.

4

01596-01009

Nut, Flanged

SN: 71791-UP

2шт.

5

01643-31032

Washer

SN: 71791-UP

2шт.

6

417-S99-3230

Bracket

SN: 71791-UP

1шт.

7

01010-81225

Bolt

SN: 71791-UP

4шт.

8

01643-31232

Washer

SN: 71791-UP

4шт.

9

02782-10518

Elbow

SN: 71791-UP

1шт.

10

07002-12034

O-ring

SN: 71791-UP

1шт.

11

02896-11015

O-ring

SN: 71791-UP

1шт.

12

09659-A057B

Plate, Warning, Explosion Hazard

SN: 71791-UP

1шт.

13

417-S99-4110

Hose

SN: 71791-UP

1шт.

14

07371-31049

Flange, Split

SN: 71791-UP

4шт.

15

07000-13032

O-ring

SN: 71791-UP

3шт.

16

07372-51055

Bolt

SN: 72499-UP

4шт.

16

07372-31055

Bolt

SN: 71791-72498

4шт.

17

07372-21035

Bolt

SN: 71791-UP

4шт.

18

01643-51032

Washer

SN: 71791-UP

4шт.

19

01643-51032

Washer

SN: 71791-UP

4шт.

20

07373-21000

Spacer

SN: 71791-UP

1шт.

21

417-S99-4120

Hose

SN: 71791-UP

1шт.

22

02754-004A6

Hose, Face Seal Type

SN: 71791-UP

1шт.

23

02753-00504

Hose, Face Seal Type

SN: 71791-UP

1шт.

24

02764-005A4

Hose, Face Seal Type

SN: 71791-UP

1шт.

Выбрано товаров: 25