Запчасти Komatsu WA200-6 СОЧЛ. СОЕД. БЛОКИР. BAR И РАМА КРЫШКА(№7-) СОЧЛ. СОЕД. БЛОКИР. BAR И РАМА COVER, С 2-Х СЕКЦИОНН. УПРАВЛЯЮЩ. КЛАПАН, БЕЗ MULTI-COUPLER

Схема запчастей Komatsu WA200-6 - СОЧЛ. СОЕД. БЛОКИР. BAR И РАМА КРЫШКА(№7-) СОЧЛ. СОЕД. БЛОКИР. BAR И РАМА COVER, С 2-Х СЕКЦИОНН. УПРАВЛЯЮЩ. КЛАПАН, БЕЗ MULTI-COUPLER
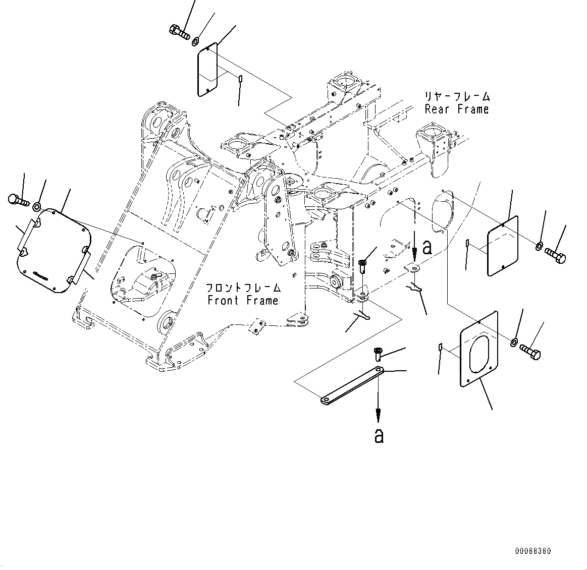
8
2
2
12
11
13
10
12
13
11
4
11
9
1
3
14
12
13
5
7
6
6
FIT
1:1
100%

Артикул

Название

Примечание

Количество

1

417-46-24110

Bar

SN: 70001-UP

1шт.

2

416-46-12230

Pin

SN: 70001-UP

2шт.

3

04050-18055

Pin, Cotter

SN: 70001-UP

1шт.

4

415-46-11360

Pin, Snap, Snap

SN: 70001-UP

1шт.

5

417-46-31331

Cover

SN: 70592-UP

1шт.

5

417-46-31330

Cover

SN: 70001-70591

1шт.

6

421-09-21420

Sheet

SN: 70679-UP

4шт.

7

01010-81230

Bolt

SN: 70001-UP

4шт.

8

01643-31232

Washer

SN: 70001-UP

4шт.

9

417-46-34411

Cover,L.H.

SN: 70592-UP

1шт.

9

417-46-34410

Cover,L.H.

SN: 70001-70591

1шт.

10

418-46-34421

Cover,L.H.

SN: 70591-UP

1шт.

10

418-46-34420

Cover,L.H.

SN: 70001-70591

1шт.

11

421-09-21420

Sheet

SN: 70001-UP

6шт.

12

01010-81225

Bolt

SN: 70001-UP

7шт.

13

01643-31232

Washer

SN: 70001-UP

7шт.

14

417-46-34432

Cover,R.H.

SN: 70592-UP

1шт.

14

417-46-34431

Cover,R.H.

SN: 70001-70591

1шт.

Выбрано товаров: 18