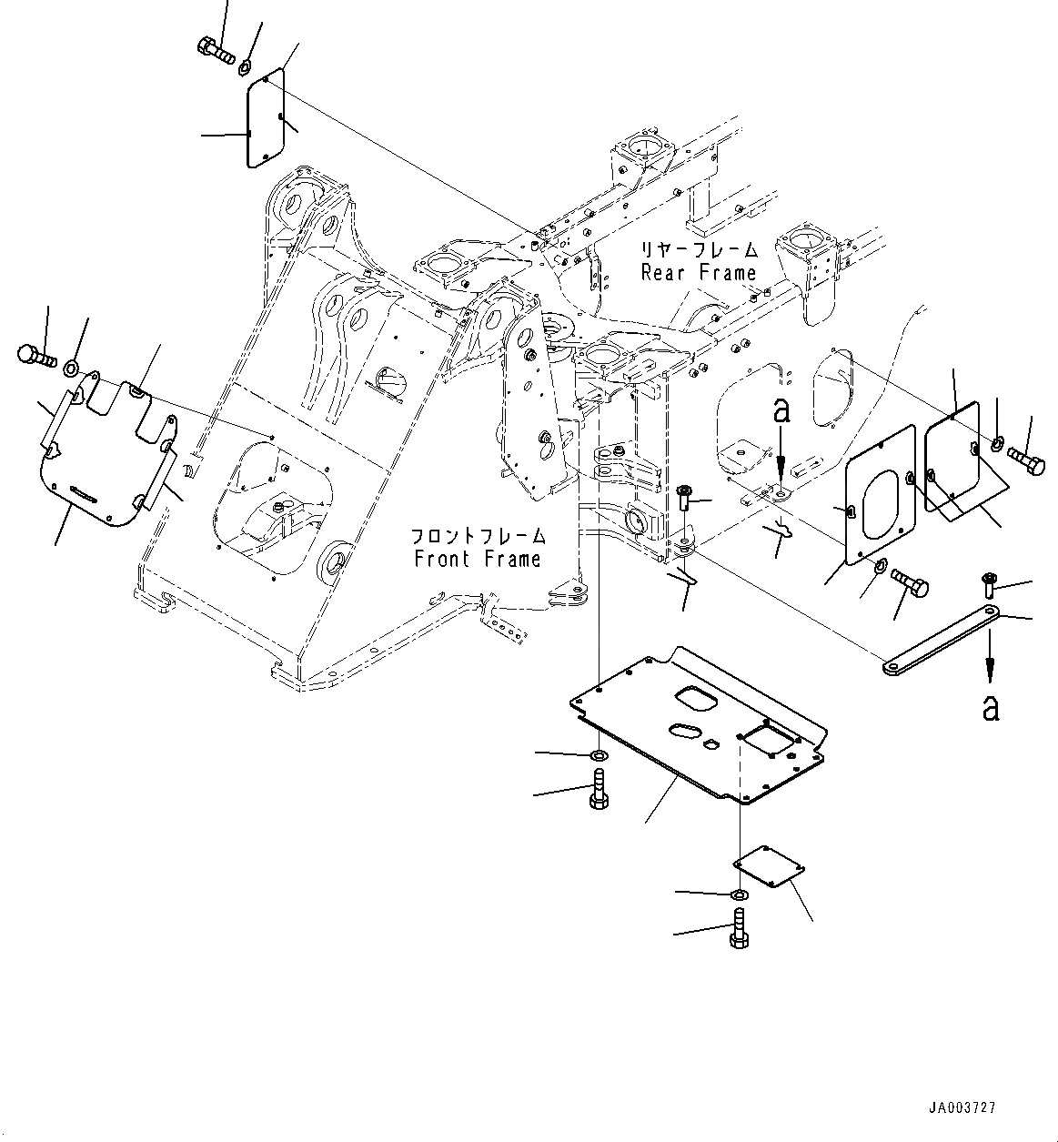
Запчасти Komatsu WA200-6 СОЧЛ. СОЕД. БЛОКИР. BAR И РАМА КРЫШКА(№7-) СОЧЛ. СОЕД. БЛОКИР. BAR И РАМА COVER, С POWERTRAIN ЧАСТИ КОРПУСА, 3-Х СЕКЦИОНН. КОНТРОЛЬН. КЛАПАН

Схема запчастей Komatsu WA200-6 - СОЧЛ. СОЕД. БЛОКИР. BAR И РАМА КРЫШКА(№7-) СОЧЛ. СОЕД. БЛОКИР. BAR И РАМА COVER, С POWERTRAIN ЧАСТИ КОРПУСА, 3-Х СЕКЦИОНН. КОНТРОЛЬН. КЛАПАН
11
11
10
3
2
1
2
4
9
13
12
12
13
14
13
12
11
11
18
19
17
16
20
15
7
8
6
6
5
6
FIT
1:1
100%

Артикул

Название

Примечание

Количество

1

417-46-24110

Bar

SN: 70520-UP

1шт.

2

416-46-12230

Pin

SN: 70520-UP

2шт.

3

04050-18055

Pin, Cotter

SN: 70520-UP

1шт.

4

415-46-11360

Pin, Snap

SN: 70520-UP

1шт.

5

417-V88-3211

Cover

SN: 70520-UP

1шт.

6

421-09-21420

Sheet

SN: 70679-UP

5шт.

7

01010-81230

Bolt

SN: 70520-UP

4шт.

8

01643-31232

Washer

SN: 70520-UP

4шт.

9

417-46-34411

Cover

SN: 70520-UP

1шт.

10

418-46-34421

Cover

SN: 70520-UP

1шт.

11

421-09-21420

Sheet

SN: 70520-UP

6шт.

12

01010-81225

Bolt

SN: 70520-UP

7шт.

13

01643-31232

Washer

SN: 70520-UP

7шт.

14

417-46-34432

Cover

SN: 70520-UP

1шт.

15

418-971-3110

Guard

SN: 70520-UP

1шт.

16

01010-81230

Bolt

SN: 70520-UP

8шт.

17

01643-31232

Washer

SN: 70520-UP

8шт.

18

418-971-3120

Plate

SN: 70520-UP

1шт.

19

01010-81025

Bolt

SN: 70520-UP

4шт.

20

01643-31032

Washer

SN: 70520-UP

4шт.

Выбрано товаров: 20