Запчасти Komatsu WA200-6 СОЧЛ. СОЕД. БЛОКИР. BAR И РАМА КРЫШКА(№7-) СОЧЛ. СОЕД. БЛОКИР. BAR И РАМА COVER, С 3-Х СЕКЦ. КОНТР. КЛАПАНОМ, ДЛЯ ХОЛОДН. AREA СПЕЦ-ЯIFICATION A (- DEG C)

Схема запчастей Komatsu WA200-6 - СОЧЛ. СОЕД. БЛОКИР. BAR И РАМА КРЫШКА(№7-) СОЧЛ. СОЕД. БЛОКИР. BAR И РАМА COVER, С 3-Х СЕКЦ. КОНТР. КЛАПАНОМ, ДЛЯ ХОЛОДН. AREA СПЕЦ-ЯIFICATION A (- DEG C)
2
2
12
11
13
10
12
13
11
4
11
9
1
3
14
12
13
7
8
6
6
5
6
FIT
1:1
100%

Артикул

Название

Примечание

Количество

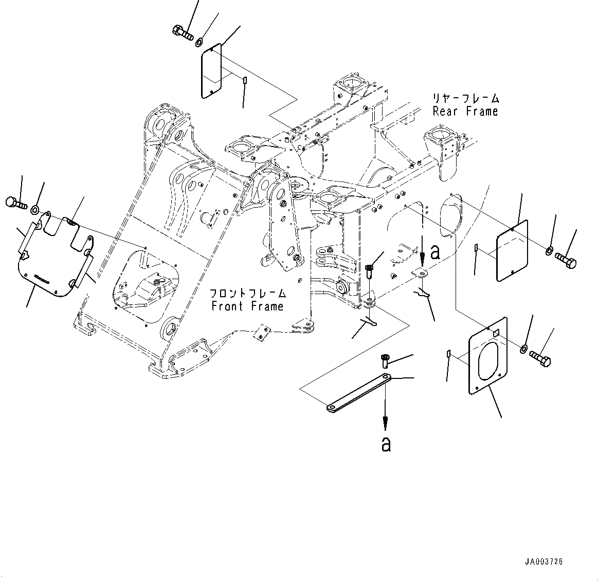
1

417-46-24110

Bar

SN: 70511-UP

1шт.

2

416-46-12230

Pin

SN: 70511-UP

2шт.

3

04050-18055

Pin, Cotter

SN: 70511-UP

1шт.

4

415-46-11360

Pin, Snap

SN: 70511-UP

1шт.

5

417-V88-3210

Cover

SN: 70511-UP

1шт.

6

421-09-21420

Sheet

SN: 70679-UP

5шт.

7

01010-81230

Bolt

SN: 70511-UP

4шт.

8

01643-31232

Washer

SN: 70511-UP

4шт.

9

417-Z91-4140

Cover

SN: 70511-UP

1шт.

10

418-46-34421

Cover

SN: 70511-UP

1шт.

11

421-09-21420

Sheet

SN: 70511-UP

6шт.

12

01010-81225

Bolt

SN: 70511-UP

7шт.

13

01643-31232

Washer

SN: 70511-UP

7шт.

14

417-46-34432

Cover

SN: 70511-UP

1шт.

Выбрано товаров: 14