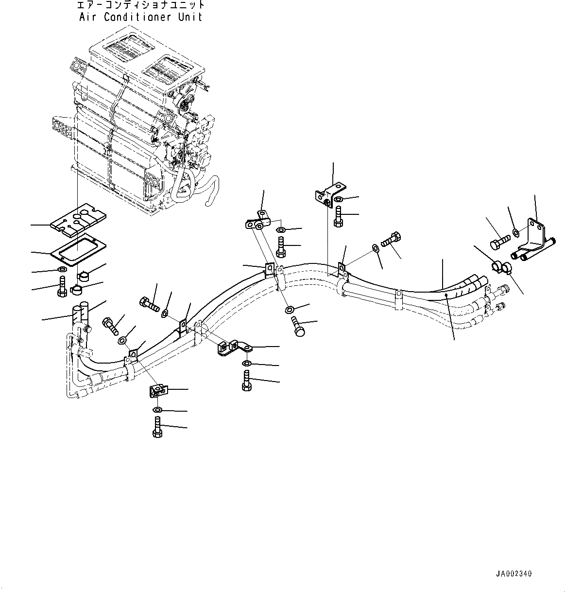
Запчасти Komatsu WA200-6 КАБИНА ROPS И ОСНОВН. КОНСТРУКЦИЯ ГРУППА, ПОЛ, ШЛАНГИ ОБОГРЕВАТЕЛЯ (№7-) КАБИНА ROPS И ОСНОВН. КОНСТРУКЦИЯ ГРУППА, С MONOCOQUE ТИП, BOTH РАМА ОКНА, КОНДИЦ. ВОЗДУХА

Схема запчастей Komatsu WA200-6 - КАБИНА ROPS И ОСНОВН. КОНСТРУКЦИЯ ГРУППА, ПОЛ, ШЛАНГИ ОБОГРЕВАТЕЛЯ (№7-) КАБИНА ROPS И ОСНОВН. КОНСТРУКЦИЯ ГРУППА, С MONOCOQUE ТИП, BOTH РАМА ОКНА, КОНДИЦ. ВОЗДУХА
21
20
19
18
17
16
15
14
13
12
11
9
10
8
7
6
5
4
25
3
2
1
26
1
2
3
4
5
6
7
6
7
5
6
5
7
24
23
22
FIT
1:1
100%

Артикул

Название

Примечание

Количество

1

418-07-45110

Hose

SN: 70001-UP

1шт.

2

09479-02400

Clip

SN: 70001-UP

2шт.

3

418-07-45120

Hose

SN: 70001-UP

1шт.

4

09479-02400

Clip

SN: 70001-UP

2шт.

5

421-07-11550

Clip

SN: 70001-UP

4шт.

6

01010-81020

Bolt

SN: 70001-UP

4шт.

7

01643-31032

Washer

SN: 70001-UP

4шт.

8

418-07-41770

Bracket

SN: 70001-UP

1шт.

9

01010-81025

Bolt

SN: 70001-UP

1шт.

10

01643-31032

Washer

SN: 70001-UP

1шт.

11

01010-81020

Bolt

SN: 70542-UP

1шт.

12

01643-31032

Washer

SN: 70542-UP

1шт.

13

418-07-45161

Bracket

SN: 70001-UP

1шт.

14

01010-81020

Bolt

SN: 70001-UP

2шт.

15

01643-31032

Washer

SN: 70001-UP

2шт.

16

418-07-41720

Sheet

SN: 70001-UP

1шт.

17

418-07-41710

Plate

SN: 70001-UP

1шт.

18

01010-80616

Bolt

SN: 70001-UP

2шт.

19

01643-30623

Washer

SN: 70001-UP

2шт.

20

418-07-41760

Bracket

SN: 70001-UP

1шт.

21

01010-81020

Bolt

SN: 70001-UP

1шт.

22

01643-31032

Washer

SN: 70001-UP

1шт.

23

418-07-41740

Bracket

SN: 70001-UP

1шт.

24

01010-81020

Bolt

SN: 70001-UP

1шт.

25

01643-31032

Washer

SN: 70001-UP

1шт.

26

418-07-41750

Bracket

SN: 70001-UP

1шт.

Выбрано товаров: 0