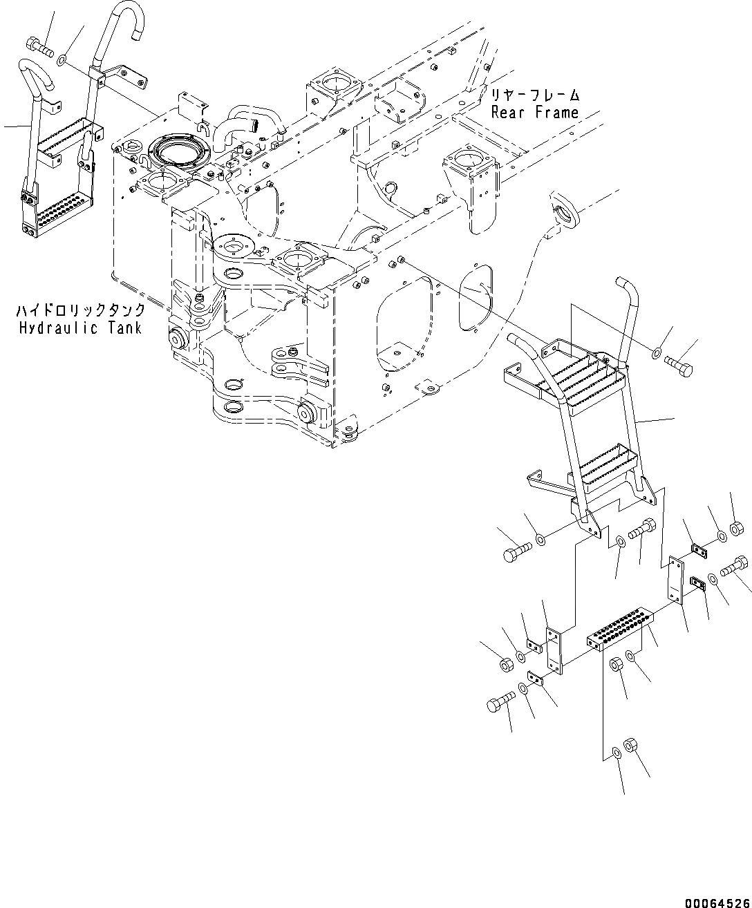
Запчасти Komatsu WA200-6 ЛЕСТНИЦА (№7-) ЛЕСТНИЦА, БЕЗ -PASSENGER КАБИНА

Схема запчастей Komatsu WA200-6 - ЛЕСТНИЦА (№7-) ЛЕСТНИЦА, БЕЗ -PASSENGER КАБИНА
1
8
3
2
9
12
13
11
10
9
11
10
12
13
9
8
13
12
7
9
13
12
11
10
11
10
6
5
4
FIT
1:1
100%

Артикул

Название

Примечание

Количество

1

418-54-45584

Ladder

SN: 72023-UP

1шт.

1

418-54-45583

Ladder

SN: 70722-72022

1шт.

1

418-54-45581

Ladder

SN: 70001-70721

1шт.

2

01010-81225

Bolt

SN: 70001-UP

5шт.

3

01643-31232

Washer

SN: 70001-UP

5шт.

4

418-54-45592

Ladder

SN: 72023-UP

1шт.

4

418-54-45591

Ladder

SN: 70001-72022

1шт.

5

01010-81225

Bolt

SN: 70001-UP

4шт.

6

01643-31232

Washer

SN: 70001-UP

4шт.

7

421-54-34611

Step

SN: 70001-UP

2шт.

8

424-54-44881

Rubber

SN: 70722-UP

4шт.

8

418-54-45640

Rubber

SN: 70001-70721

4шт.

9

428-T86-1650

Plate

SN: 70001-UP

8шт.

10

01010-D1045

Bolt

SN: 70972-UP

16шт.

10

01010-D1040

Bolt

SN: 70001-70971

16шт.

11

01643-71032

Washer

SN: 70001-UP

16шт.

12

01596-01009

Nut, Flanged

SN: 70001-UP

16шт.

13

01643-71032

Washer

SN: 70001-UP

16шт.

Выбрано товаров: 18