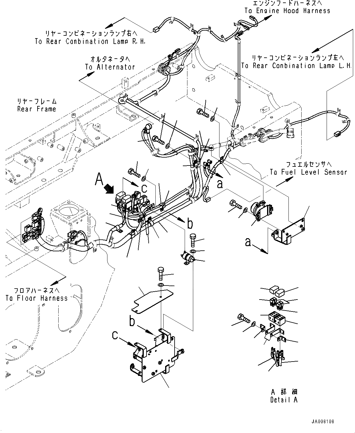
Запчасти Komatsu WA200-6 ЗАДН. ЭЛЕКТРИЧ. ПРОВОДКА, ЗАДН. ПРОВОДКА (№7-) ЗАДН. ЭЛЕКТРИЧ. ПРОВОДКА, ДЛЯ ЗАПЫЛЕНН МЕСТН. ARRANGEMENT

Схема запчастей Komatsu WA200-6 - ЗАДН. ЭЛЕКТРИЧ. ПРОВОДКА, ЗАДН. ПРОВОДКА (№7-) ЗАДН. ЭЛЕКТРИЧ. ПРОВОДКА, ДЛЯ ЗАПЫЛЕНН МЕСТН. ARRANGEMENT
26
25
1
10
7
7
8
24
7
9
7
11
12
14
13
11
17
16
15
31
32
22
23
21
30
35
34
29
19
18
28
27
2
6
18
20
5
4
3
36
17
15
38
33
16
39
37
4
FIT
1:1
100%

Артикул

Название

Примечание

Количество

1

417-06-42410

Bracket

SN: 70001-UP

1шт.

2

417-06-42341

Wiring Harness

SN: 70001-UP

1шт.

|$2

21J-06-13661

Diode

SN: 70001-UP

3шт.

3

04434-52712

Clip

SN: 70001-UP

1шт.

4

04434-51912

Clip

SN: 70001-UP

2шт.

5

04434-51712

Clip

SN: 70001-UP

1шт.

6

04434-51012

Clip

SN: 70001-UP

1шт.

7

421-06-22880

Holder

SN: 70001-UP

2шт.

7

421-06-22990

Bolt

SN: 70001-UP

4шт.

8

421-06-22830

Fuse, 120Amp.

SN: 70001-UP

2шт.

9

421-06-22820

Fuse, 80Amp.

SN: 70001-UP

1шт.

10

417-06-22610

Fuse, 50Amp.

SN: 70001-UP

1шт.

11

421-06-22910

Bracket

SN: 70001-UP

2шт.

12

421-06-22920

Bracket

SN: 70001-UP

2шт.

13

01010-80820

Bolt

SN: 70001-UP

1шт.

14

01643-30823

Washer

SN: 70001-UP

1шт.

15

417-06-42750

Cable

SN: 70001-UP

1шт.

16

417-06-42760

Cable

SN: 70001-UP

1шт.

17

417-Z92-4230

Cable

SN: 70001-UP

1шт.

18

04434-51412

Clip

SN: 70001-UP

3шт.

19

04434-51012

Clip

SN: 70001-UP

2шт.

20

418-06-42770

Cable

SN: 70001-UP

1шт.

21

600-815-2170

Switch, Heater

SN: 70001-UP

1шт.

22

01010-80616

Bolt

SN: 70001-UP

2шт.

23

01643-30623

Washer

SN: 70001-UP

2шт.

24

417-06-41620

Plate

SN: 70001-UP

1шт.

25

01010-80816

Bolt

SN: 70001-UP

2шт.

26

01643-30823

Washer

SN: 70001-UP

2шт.

27

01010-81020

Bolt

SN: 70001-UP

7шт.

28

01643-31032

Washer

SN: 70001-UP

7шт.

29

417-06-42450

Bracket

SN: 70001-UP

1шт.

30

08088-30000

Switch, Battery Relay

SN: 70001-UP

1шт.

31

01010-80830

Bolt

SN: 70001-UP

2шт.

32

01643-30823

Washer

SN: 70001-UP

2шт.

33

04434-51412

Clip

SN: 70001-UP

1шт.

34

01010-81020

Bolt

SN: 70001-UP

1шт.

35

01643-31032

Washer

SN: 70001-UP

1шт.

36

04434-51412

Clip

SN: 70001-UP

1шт.

37

04434-51012

Clip

SN: 70001-UP

1шт.

38

01010-81025

Bolt

SN: 70001-UP

1шт.

39

01643-31032

Washer

SN: 70001-UP

1шт.

Выбрано товаров: 41