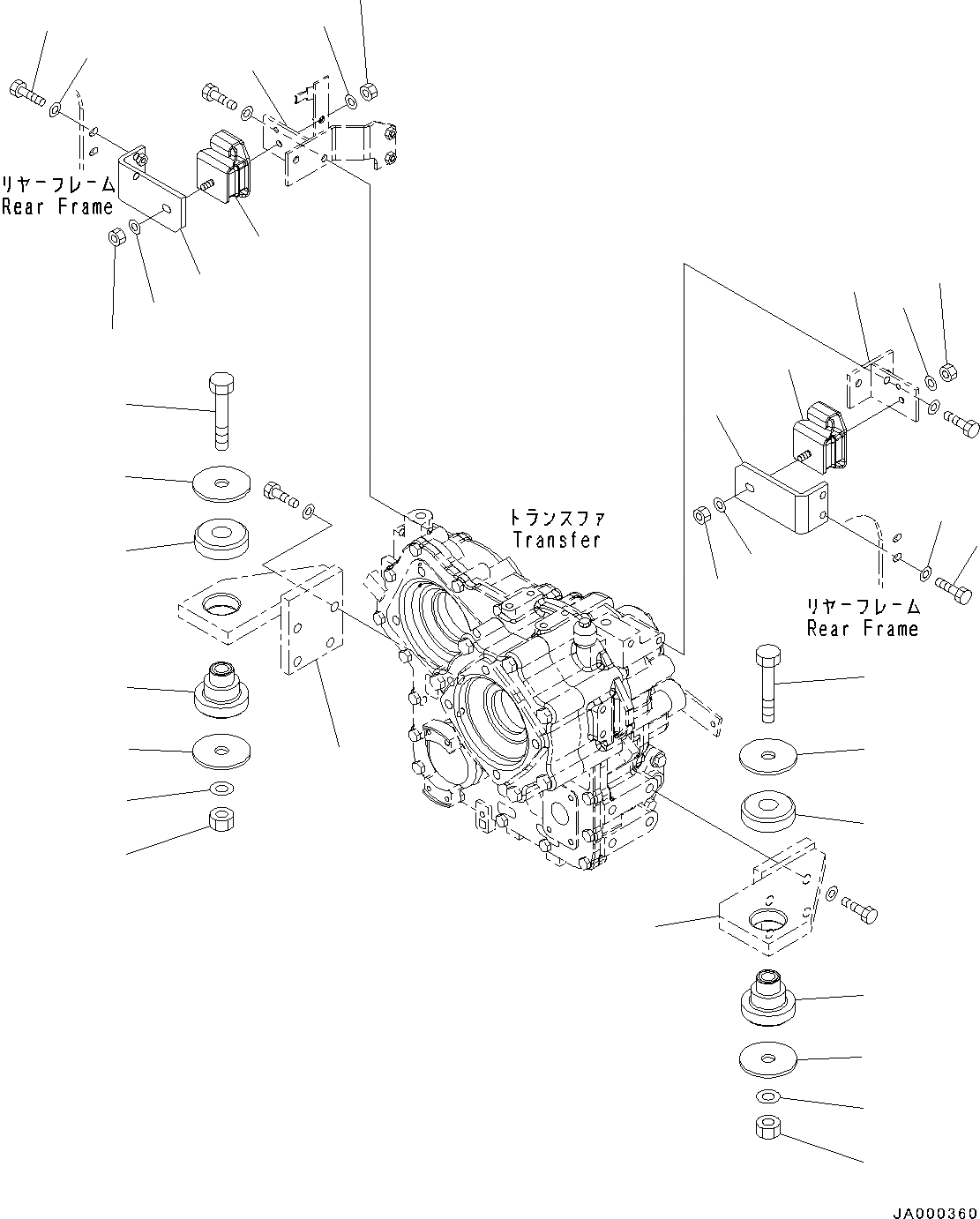
Запчасти Komatsu WA200-6 КОРПУС ПЕРЕДАЧИ КРЕПЛЕНИЕ (№7-) КОРПУС ПЕРЕДАЧИ КРЕПЛЕНИЕ

Схема запчастей Komatsu WA200-6 - КОРПУС ПЕРЕДАЧИ КРЕПЛЕНИЕ (№7-) КОРПУС ПЕРЕДАЧИ КРЕПЛЕНИЕ
10
9
8
11
6
9
5
4
3
2
2
1
1
7
8
9
10
11
12
2
10
7
3
6
2
4
5
12
10
9
13
14
16
15
FIT
1:1
100%

Артикул

Название

Примечание

Количество

1

418-14-31133

Plate

SN: 70001-UP

2шт.

2

418-01-11112

Cushion

SN: 70001-UP

2шт.

2

418-01-11121

Cushion

SN: 70001-UP

1шт.

2

418-01-11131

Cushion

SN: 70001-UP

1шт.

3

419-01-11162

Washer

SN: 70001-UP

2шт.

4

01011-62220

Bolt

SN: 70001-UP

2шт.

5

419-01-11162

Washer

SN: 70001-UP

2шт.

6

01580-02218

Nut

SN: 70001-UP

2шт.

7

01643-32260

Washer

SN: 70001-UP

2шт.

8

20S-01-71331

Cushion

SN: 70001-UP

2шт.

9

01580-11008

Nut

SN: 70001-UP

4шт.

10

01643-31032

Washer

SN: 70001-UP

4шт.

11

01010-81035

Bolt

SN: 70001-UP

4шт.

12

01643-31032

Washer

SN: 70001-UP

4шт.

13

418-14-31113

Bracket

SN: UP

-1шт.

|$15

418-14-31113

Bracket

SN: UP

-1шт.

14

418-14-31143

Bracket

SN: UP

-1шт.

|$17

418-14-31143

Bracket

SN: UP

-1шт.

15

418-14-31152

Bracket

SN: UP

-1шт.

|$19

418-14-31152

Bracket

SN: UP

-1шт.

16

418-14-41121

Bracket

SN: UP

-1шт.

|$21

418-14-41121

Bracket

SN: UP

-1шт.

Выбрано товаров: 22