Запчасти Komatsu WA200-6 ТРУБЫ ПЕЧКИ (№7-) ТРУБЫ ПЕЧКИ

Схема запчастей Komatsu WA200-6 - ТРУБЫ ПЕЧКИ (№7-) ТРУБЫ ПЕЧКИ
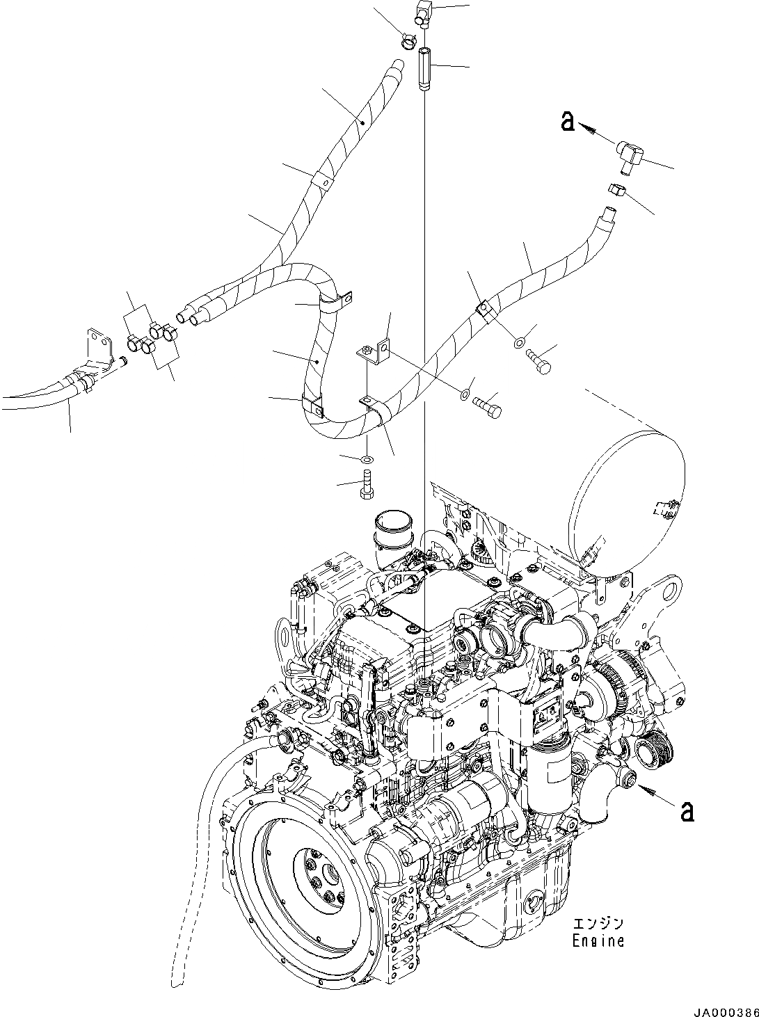
1
2
3
4
5
6
7
8
9
10
11
12
10
5
9
10
10
10
15
14
13
11
12
16
FIT
1:1
100%

Артикул

Название

Примечание

Количество

1

22B-979-1560

Adapter

SN: 70001-UP

1шт.

2

423-S62-4381

Elbow

SN: 70001-UP

1шт.

3

417-07-45130

Hose

SN: 70001-UP

1шт.

4

08017-A2806

Conduit

SN: 70001-70928

1шт.

5

09479-02400

Clip

SN: 70001-UP

3шт.

6

418-07-45150

Elbow

SN: 70001-UP

1шт.

7

417-07-45140

Hose

SN: 70001-UP

1шт.

8

08017-A2814

Conduit

SN: 70001-70928

1шт.

9

09479-02400

Clip

SN: 70001-UP

3шт.

10

04434-53411

Clip

SN: 70001-UP

5шт.

11

01010-81020

Bolt

SN: 70001-UP

3шт.

12

01643-31032

Washer

SN: 70001-UP

3шт.

13

582-35-11920

Bracket

SN: 70001-UP

1шт.

14

01010-81230

Bolt

SN: 70001-UP

1шт.

15

01643-31232

Washer

SN: 70001-UP

1шт.

16

418-07-45110

Hose

SN: UP

-1шт.

|$16

418-07-45110

Hose

SN: UP

-1шт.

Выбрано товаров: 0