Запчасти Komatsu WA200-6 УПРАВЛЕНИЕ ПОГРУЗКОЙ (ПРОВОДКА) КАБИНА ОПЕРАТОРА И СИСТЕМА УПРАВЛЕНИЯ

Схема запчастей Komatsu WA200-6 - УПРАВЛЕНИЕ ПОГРУЗКОЙ (ПРОВОДКА) КАБИНА ОПЕРАТОРА И СИСТЕМА УПРАВЛЕНИЯ
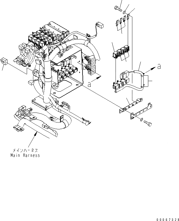
1
2
3
4
5
6
7
7
8
9
FIT
1:1
100%

Артикул

Название

Примечание

Количество

1

421-06-31410

WIRING HARNESS

SN: 70001-UP

1шт.

2

418-06-42130

WIRING HARNESS

SN: 70001-UP

1шт.

3

08059-00310

CLIP

SN: 70001-UP

2шт.

4

418-54-43110

BRACKET

SN: 70001-UP

1шт.

5

569-06-61960

RELAY

SN: 70001-UP

3шт.

6

569-06-61970

RELAY

SN: 70001-UP

1шт.

7

287-06-16420

BRACKET

SN: 70001-UP

4шт.

8

01010-80616

BOLT

SN: 70001-UP

4шт.

9

01643-30623

WASHER

SN: 70001-UP

4шт.

Выбрано товаров: 9