Запчасти Komatsu WA200-6 ЛИНИЯ хЛАДАГЕНТА СИСТЕМА ОХЛАЖДЕНИЯ

Схема запчастей Komatsu WA200-6 - ЛИНИЯ хЛАДАГЕНТА СИСТЕМА ОХЛАЖДЕНИЯ
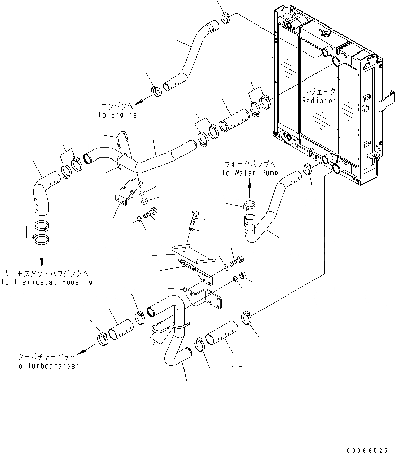
1
2
2
3
4
5
6
7
8
9
10
11
11
12
13
13
14
15
16
16
17
18
19
20
21
22
23
24
24
25
25
25
26
26
27
28
29
FIT
1:1
100%

Артикул

Название

Примечание

Количество

1

417-03-44210

HOSE

SN: 70001-UP

1шт.

2

07289-00070

CLAMP

SN: 70001-UP

2шт.

3

417-03-44130

HOSE

SN: 70001-UP

1шт.

4

07289-00070

CLAMP

SN: 70001-UP

1шт.

5

07289-00055

CLAMP

SN: 70001-UP

1шт.

6

417-03-44180

PIPE

SN: 70001-UP

1шт.

7

417-03-44190

HOSE

SN: 70001-UP

1шт.

8

07289-00070

CLAMP

SN: 70001-UP

2шт.

9

07289-00080

CLAMP

SN: 70001-UP

2шт.

10

417-03-44170

HOSE, 200MM

SN: 70001-UP

1шт.

11

07289-00070

CLAMP

SN: 70001-UP

4шт.

12

418-03-32250

HOSE, 215MM

SN: 70001-UP

1шт.

13

07299-00070

CLAMP

SN: 70001-UP

2шт.

14

417-03-44140

PIPE

SN: 70001-UP

1шт.

15

418-03-32180

HOSE, 150MM

SN: 70001-UP

1шт.

16

07299-00070

CLAMP

SN: 70001-UP

2шт.

17

417-03-44110

BRACKET

SN: 70001-UP

1шт.

18

01010-81235

BOLT

SN: 70001-UP

2шт.

19

01643-31232

WASHER

SN: 70001-UP

2шт.

20

417-03-41630

BRACKET

SN: 70001-UP

1шт.

21

417-03-41640

PLATE

SN: 70001-UP

1шт.

22

01010-81020

BOLT

SN: 70001-UP

2шт.

23

01643-31032

WASHER

SN: 70001-UP

2шт.

24

01597-01009

NUT

SN: 70001-UP

8шт.

25

07283-36365

CLIP

SN: 70001-UP

4шт.

26

01643-31032

WASHER

SN: 70001-UP

8шт.

27

417-03-44120

BRACKET

SN: 70001-UP

1шт.

28

01010-81230

BOLT

SN: 70001-UP

2шт.

29

01643-31232

WASHER

SN: 70001-UP

2шт.

Выбрано товаров: 29