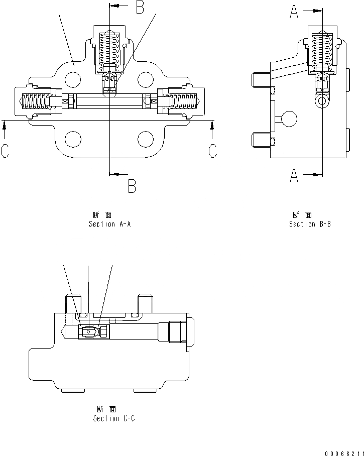
Запчасти Komatsu WA200-6 HST МОТОР (/7) ОСНОВН. КОМПОНЕНТЫ И РЕМКОМПЛЕКТЫ

Схема запчастей Komatsu WA200-6 - HST МОТОР (/7) ОСНОВН. КОМПОНЕНТЫ И РЕМКОМПЛЕКТЫ
1
2
3
4
5
FIT
1:1
100%

Артикул

Название

Примечание

Количество

|$1

UCR902115810

FLASHING VALVE

SN: 70001-UP

1шт.

1

UCR902115775

FLASHING VALVE

SN: 70001-UP

1шт.

2

UC1704258678

ORIFICE

SN: 70001-UP

1шт.

3

UC1704196956

ORIFICE

SN: 70001-UP

1шт.

4

UC1704002631

GUIDE

SN: 70001-UP

1шт.

5

UC1704002649

GUIDE

SN: 70001-UP

1шт.

Выбрано товаров: 0