Запчасти Komatsu WA200PT-5 ЗАДН. КРЫЛО(№88-) ЧАСТИ КОРПУСА

Схема запчастей Komatsu WA200PT-5 - ЗАДН. КРЫЛО(№88-) ЧАСТИ КОРПУСА
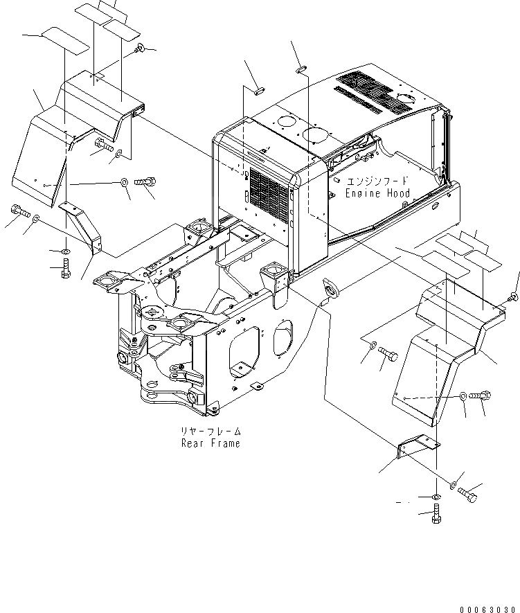
1
2
3
4
5
6
7
8
9
10
11
12
13
14
15
16
17
18
19
20
20
21
21
22
23
23
24
24
FIT
1:1
100%

Артикул

Название

Примечание

Количество

1

417-54-31212

FENDER

SN: 65001-UP

1шт.

2

01010-81225

BOLT

SN: 68850-UP

2шт.

3

01643-31232

WASHER

SN: 68850-UP

2шт.

4

01010-81230

BOLT

SN: 68850-UP

2шт.

5

01643-31232

WASHER

SN: 68850-UP

2шт.

6

418-54-33570

SEAT

SN: 68850-UP

1шт.

7

154-54-23260

SEAT

SN: 65001-UP

1шт.

8

22B-00-11210

SHEET

SN: 65001-UP

2шт.

9

421-54-21850

PLUG

SN: 65001-UP

2шт.

10

417-54-31222

FENDER

SN: 65001-UP

1шт.

11

01010-81225

BOLT

SN: 68850-UP

2шт.

12

01643-31232

WASHER

SN: 68850-UP

2шт.

13

01010-81230

BOLT

SN: 68850-UP

2шт.

14

01643-31232

WASHER

SN: 68850-UP

2шт.

15

418-54-33570

SEAT

SN: 68850-UP

1шт.

16

154-54-23260

SEAT

SN: 65001-UP

1шт.

17

22B-00-11210

SHEET

SN: 65001-UP

2шт.

18

421-54-21850

PLUG

SN: 65001-UP

2шт.

19

418-54-31231

BRACKET,L.H.

SN: 68850-UP

1шт.

20

01010-81230

BOLT

SN: 68850-UP

4шт.

21

01643-31232

WASHER

SN: 68850-UP

4шт.

22

418-54-31241

BRACKET,R.H.

SN: 68850-UP

1шт.

23

01010-81230

BOLT

SN: 68850-UP

4шт.

24

01643-31232

WASHER

SN: 68850-UP

4шт.

Выбрано товаров: 0