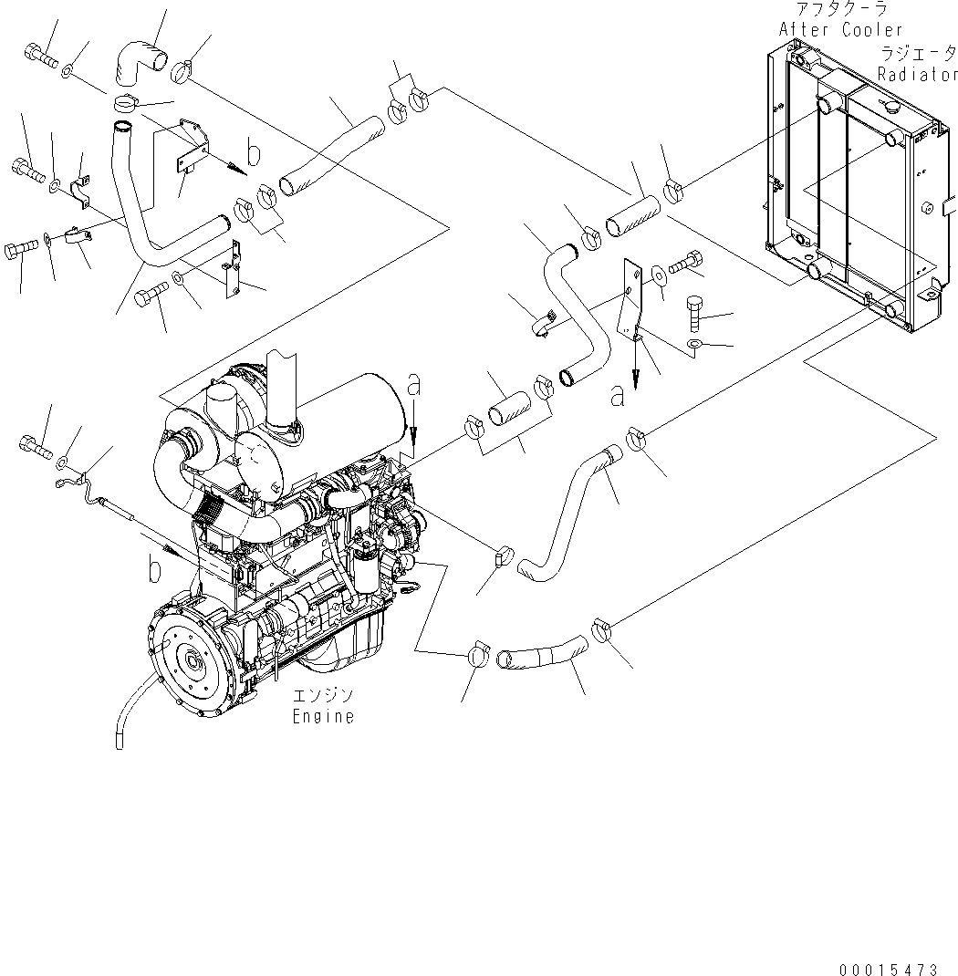
Запчасти Komatsu WA200PT-5 ЛИНИЯ ОХЛАЖДЕНИЯ (ХОЛОДН. МЕСТН. (A) СПЕЦ-Я.) C СИСТЕМА ОХЛАЖДЕНИЯ

Схема запчастей Komatsu WA200PT-5 - ЛИНИЯ ОХЛАЖДЕНИЯ (ХОЛОДН. МЕСТН. (A) СПЕЦ-Я.) C СИСТЕМА ОХЛАЖДЕНИЯ
8
13
16
9
15
16
14
12
17
9
16
15
14
16
15
19
18
11
15
6
15
16
9
10
11
5
3
9
22
23
7
4
21
20
11
9
2
9
1
9
FIT
1:1
100%

Артикул

Название

Примечание

Количество

1

417-03-32111

HOSE

SN: H60051-UP

1шт.

2

417-03-32121

HOSE

SN: H60051-UP

1шт.

3

417-03-32150

HOSE

SN: H60051-UP

1шт.

4

418-03-32180

HOSE

SN: H60051-UP

1шт.

5

418-03-32250

HOSE

SN: H60051-UP

1шт.

6

417-03-32141

HOSE

SN: H60051-UP

1шт.

7

418-03-32153

PIPE

SN: H60051-UP

1шт.

8

418-03-32160

HOSE

SN: H60051-UP

1шт.

9

07289-00070

CLAMP

SN: H60051-UP

9шт.

10

07289-00055

CLAMP

SN: H60051-UP

1шт.

11

07299-00070

CLAMP

SN: H60051-UP

4шт.

12

418-03-31294

BRACKET

SN: H60051-UP

1шт.

13

01010-81225

BOLT

SN: H60051-UP

2шт.

14

418-03-31251

PLATE

SN: H60051-UP

2шт.

15

01010-81225

BOLT

SN: H60051-UP

10шт.

16

01643-31232

WASHER

SN: H60051-UP

10шт.

17

417-Z91-3130

BRACKET

SN: H60051-UP

1шт.

18

08036-00810

CLIP

SN: H60051-UP

1шт.

19

01010-80820

BOLT

SN: H60051-UP

1шт.

20

01643-30823

WASHER

SN: H60051-UP

1шт.

21

417-03-32191

BRACKET

SN: H60051-UP

1шт.

22

124-54-26540

WASHER

SN: H60051-UP

2шт.

23

417-03-31021

COOLING ASSEMBLY

SN: H60051-UP

1шт.

Выбрано товаров: 23