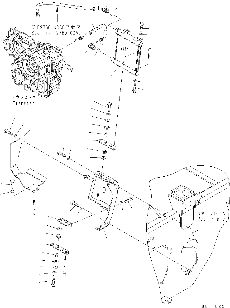
Запчасти Komatsu WA200PT-5 ПЕРЕДАЧА МАСЛООХЛАДИТЕЛЬ C СИСТЕМА ОХЛАЖДЕНИЯ

Схема запчастей Komatsu WA200PT-5 - ПЕРЕДАЧА МАСЛООХЛАДИТЕЛЬ C СИСТЕМА ОХЛАЖДЕНИЯ
20
18
17
19
10
12
19
14
13
16
15
13
14
12
10
21
6
7
20
4
7
6
9
23
11
24
22
1
5
2
3
11
23
24
2
8
3
11
1
1
5
11
9
FIT
1:1
100%

Артикул

Название

Примечание

Количество

1

417-14-31170

BRACKET

SN: H60051-UP

1шт.

2

01010-81020

BOLT

SN: H60051-UP

4шт.

3

01643-31032

WASHER

SN: H60051-UP

4шт.

4

418-14-31210

OIL COOLER

SN: H60051-UP

1шт.

5

418-14-31182

PLATE

SN: H60051-UP

1шт.

6

01010-81025

BOLT

SN: H60051-UP

4шт.

7

01643-31032

WASHER

SN: H60051-UP

4шт.

8

417-14-31190

BRACKET

SN: H60051-UP

1шт.

9

01010-81055

BOLT

SN: H60051-UP

4шт.

10

01643-31032

WASHER

SN: H60051-UP

4шт.

11

415-64-13120

WASHER

SN: H60051-UP

8шт.

12

415-64-13130

CUSHION

SN: H60051-UP

4шт.

13

419-43-17930

CUSHION

SN: H60051-UP

4шт.

14

417-62-14130

SPACER

SN: H60051-UP

4шт.

15

01010-81025

BOLT

SN: H60051-UP

2шт.

16

01643-31032

WASHER

SN: H60051-UP

2шт.

17

22B-62-18940

ELBOW

SN: H60051-UP

1шт.

18

02782-10425

ELBOW

SN: H60051-UP

1шт.

19

07002-22434

O-RING

SN: H60051-UP

2шт.

20

02896-21012

O-RING

SN: H60051-UP

2шт.

21

02763-004A3

HOSE

SN: H60051-UP

1шт.

22

417-14-31340

GUARD

SN: H60051-UP

1шт.

23

01010-81025

BOLT

SN: H60051-UP

3шт.

24

01643-31032

WASHER

SN: H60051-UP

3шт.

Выбрано товаров: 0