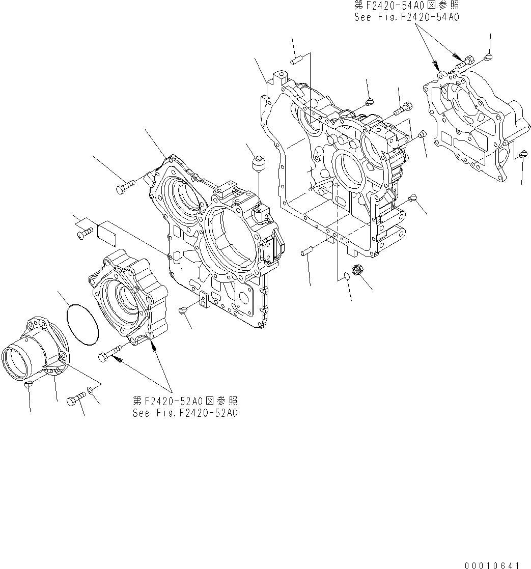
Запчасти Komatsu WA200PT-5 ПЕРЕДАЧА (/) (КОРПУС) F ТРАНСМИССИЯ

Схема запчастей Komatsu WA200PT-5 - ПЕРЕДАЧА (/) (КОРПУС) F ТРАНСМИССИЯ
10
14
12
13
14
14
15
14
14
4
2
3
1
8
3
5
4
6
7
9
11
FIT
1:1
100%

Артикул

Название

Примечание

Количество

|$1

417-17-31000

TRANSFER ASSEMBLY

SN: H60051-UP

1шт.

|$2

417-17-31101

CASE ASSEMBLY

SN: H60051-UP

1шт.

1

417-17-31111

CASE

SN: H60051-UP

1шт.

2

418-17-31122

CASE

SN: H60051-UP

1шт.

3

01010-81235

BOLT

SN: H60051-UP

20шт.

4

04020-01228

PIN

SN: H60051-UP

2шт.

5

07043-A0211

PLUG

SN: H60051-UP

2шт.

6

07044-12412

PLUG

SN: H60051-UP

1шт.

7

07002-12434

O-RING

SN: H60051-UP

1шт.

8

07030-00252

BREATHER

SN: H60051-UP

1шт.

9

417-17-31131

CAGE

SN: H60051-UP

1шт.

10

01010-81235

BOLT

SN: H60051-UP

6шт.

11

01643-31232

WASHER

SN: H60051-UP

6шт.

12

07000-75130

O-RING

SN: H60051-UP

1шт.

13

09608-05080

PLATE, NAME

SN: H60051-UP

1шт.

|$16

04418-13060

SCREW

SN: H60051-UP

4шт.

14

07049-01215

PLUG

SN: H60051-UP

9шт.

15

07049-01620

PLUG

SN: H60051-UP

1шт.

Выбрано товаров: 18