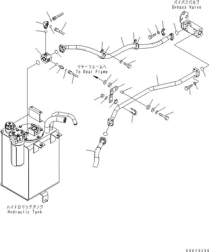
Запчасти Komatsu WA200PT-5L ГИДРОЛИНИЯ (ВОЗВРАТ. ЛИНИЯ) ГИДРАВЛИКА

Схема запчастей Komatsu WA200PT-5L - ГИДРОЛИНИЯ (ВОЗВРАТ. ЛИНИЯ) ГИДРАВЛИКА
1
2
3
3
4
4
5
6
7
7
8
9
10
11
12
13
14
15
16
17
18
19
20
21
22
23
24
25
26
27
28
29
30
31
31
32
33
34
35
FIT
1:1
100%

Артикул

Название

Примечание

Количество

1

417-62-31344

TUBE

SN: A89001-UP

1шт.

2

417-62-31480

HOSE

SN: A89001-UP

1шт.

3

07000-13032

O-RING

SN: A89001-UP

2шт.

4

419-09-11150

CLIP

SN: A89001-UP

2шт.

5

01010-81020

BOLT

SN: A89001-UP

2шт.

6

01643-31032

WASHER

SN: A89001-UP

2шт.

7

418-62-32180

RUBBER

SN: A89001-UP

2шт.

8

07000-13038

O-RING

SN: A89001-UP

1шт.

9

07372-21035

BOLT

SN: A89001-UP

8шт.

10

01643-51032

WASHER

SN: A89001-UP

8шт.

11

07371-31049

FLANGE

SN: A89001-UP

4шт.

12

07372-21040

BOLT

SN: A89001-UP

4шт.

13

01643-51032

WASHER

SN: A89001-UP

4шт.

14

07283-33450

CLIP

SN: A89001-UP

1шт.

15

07283-53444

SEAT

SN: A89001-UP

1шт.

16

01597-01009

NUT

SN: A89001-UP

2шт.

17

01643-31032

WASHER

SN: A89001-UP

2шт.

18

417-62-33250

ELBOW

SN: A89001-UP

1шт.

19

07002-12434

O-RING

SN: A89001-UP

1шт.

20

02896-11012

O-RING

SN: A89001-UP

2шт.

21

02896-11009

O-RING

SN: A89001-UP

1шт.

22

02781-0021D

UNION

SN: A89001-UP

1шт.

23

07002-11423

O-RING

SN: A89001-UP

1шт.

24

02896-11008

O-RING

SN: A89001-UP

1шт.

25

417-62-31161

PLATE

SN: A89001-UP

1шт.

26

01010-81255

BOLT

SN: A89001-UP

2шт.

27

01643-31232

WASHER

SN: A89001-UP

2шт.

28

419-43-17930

CUSHION

SN: A89001-UP

2шт.

29

415-64-13130

CUSHION

SN: A89001-UP

2шт.

30

417-62-14130

SPACER

SN: A89001-UP

2шт.

31

419-43-17920

WASHER

SN: A89001-UP

4шт.

32

HOSE,(SEE FIG. H4200-01A0)

SN: A89001-UP

-1шт.

33

HOSE,(SEE FIG. H0122-01A0)

SN: A89001-UP

-1шт.

34

HOSE,(SEE FIG. H0122-01A0)

SN: A89001-UP

-1шт.

35

FLANGE,(SEE FIG. H4200-09A0)

SN: A89001-UP

-1шт.

Выбрано товаров: 35