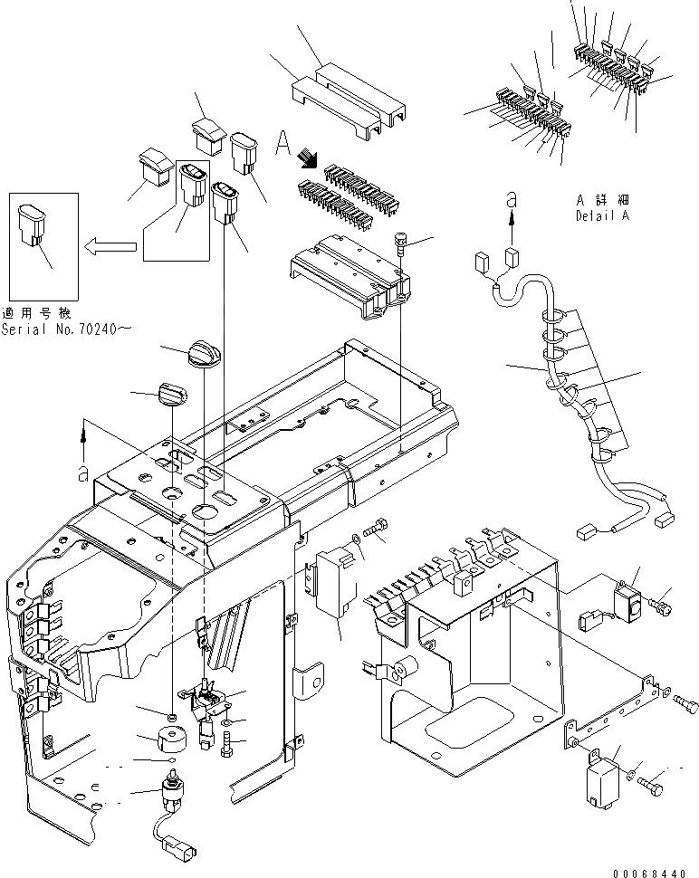
Запчасти Komatsu WA200PZ-6 УПРАВЛЕНИЕ ПОГРУЗКОЙ (ЭЛЕКТРИКА) (ДЛЯ РЫЧАГ)(№7-) КАБИНА ОПЕРАТОРА И СИСТЕМА УПРАВЛЕНИЯ

Схема запчастей Komatsu WA200PZ-6 - УПРАВЛЕНИЕ ПОГРУЗКОЙ (ЭЛЕКТРИКА) (ДЛЯ РЫЧАГ)(№7-) КАБИНА ОПЕРАТОРА И СИСТЕМА УПРАВЛЕНИЯ
1
1
1
1
1
2
2
2
3
3
3
4
4
5
6
6
6
7
7
7
8
8
8
8
9
10
11
12
13
14
15
16
17
18
19
20
21
22
22
23
24
25
26
27
28
29
30
31
32
33
34
FIT
1:1
100%

Артикул

Название

Примечание

Количество

1

08041-01000

FUSE, 10A

SN: 70001-UP

11шт.

2

08041-01500

FUSE, 15A

SN: 70001-UP

3шт.

3

08041-02000

FUSE, 20A

SN: 70001-UP

3шт.

4

08041-03000

FUSE, 30A

SN: 70001-UP

2шт.

5

283-06-16120

COVER

SN: 70001-UP

1шт.

6

08041-00500

FUSE, 5A

SN: 70001-UP

3шт.

7

08041-01000

FUSE, 10A

SN: 70001-UP

10шт.

8

08041-02000

FUSE, 20A

SN: 70001-UP

5шт.

9

283-06-16120

COVER

SN: 70001-UP

1шт.

10

01023-70520

SCREW

SN: 70001-UP

4шт.

11

421-06-26220

RELAY

SN: 70001-UP

1шт.

12

01010-80612

BOLT

SN: 70001-UP

2шт.

13

01643-30623

WASHER

SN: 70001-UP

2шт.

14

23S-05-35320

BUZZER

SN: 70001-UP

1шт.

15

01023-70412

SCREW

SN: 70001-UP

2шт.

16

421-06-36232

SWITCH

SN: 70001-UP

1шт.

17

421-06-36241

KNOB

SN: 70001-UP

1шт.

18

416-06-22250

FLASHER

SN: 70001-UP

1шт.

19

01010-80616

BOLT

SN: 70001-UP

1шт.

20

01643-30623

WASHER

SN: 70001-UP

1шт.

21

426-06-33530

SWITCH,TRACTION CONTROL

SN: 70001-UP

1шт.

22

20Y-06-42190

COVER

SN: 70240-UP

1шт.

22

423-06-45560

SWITCH,AUTO REVERSE FAN

SN: 70001-70239

1шт.

23

418-T80-4130

SWITCH,FORK

SN: 70001-UP

1шт.

24

418-T80-4110

SWITCH,MULTI COUPLER UNLOCK

SN: 70001-UP

1шт.

25

22U-06-22420

POTENTIOMETER ASS'Y

SN: 70001-UP

1шт.

26

22U-06-22470

KNOB

SN: 70001-UP

1шт.

27

01010-80612

BOLT

SN: 70001-UP

2шт.

28

01643-30623

WASHER

SN: 70001-UP

2шт.

29

20Y-06-42190

COVER

SN: 70001-UP

1шт.

30

418-U77-4453

WIRING HARNESS

SN: 70001-UP

1шт.

31

134-03-61410

BAND

SN: 70001-UP

8шт.

32

416-54-32770

COVER

SN: 70463-UP

1шт.

33

416-54-32790

O-RING

SN: 70463-UP

1шт.

34

195-979-7290

COLLAR

SN: 70463-UP

1шт.

Выбрано товаров: 35