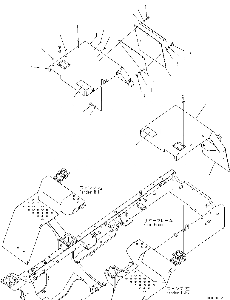
Запчасти Komatsu WA200PZ-6 ЗАДН. КРЫЛО (КРЫЛО И ЩИТКИ) (ПОЛН. КРЫЛО)(№7-) ЧАСТИ КОРПУСА

Схема запчастей Komatsu WA200PZ-6 - ЗАДН. КРЫЛО (КРЫЛО И ЩИТКИ) (ПОЛН. КРЫЛО)(№7-) ЧАСТИ КОРПУСА
1
2
3
4
5
5
6
6
6
6
6
6
7
7
8
9
10
11
12
13
14
15
16
FIT
1:1
100%

Артикул

Название

Примечание

Количество

1

418-54-31318

FENDER,L.H.

SN: 70001-UP

1шт.

2

418-54-31327

FENDER,R.H.

SN: 70001-UP

1шт.

3

01010-81225

BOLT

SN: 70001-UP

8шт.

4

01643-31232

WASHER

SN: 70001-UP

8шт.

5

09805-03000

PLATE, SAFETY

SN: 70001-UP

2шт.

6

416-54-34230

PLUG

SN: 70001-UP

12шт.

7

418-54-34650

SHEET

SN: 70001-UP

2шт.

8

418-54-34641

PLATE

SN: 70592-UP

2шт.

8

0

PLATE

SN: 70001-70591

2шт.

9

418-54-24570

PLATE

SN: 70001-UP

2шт.

10

01010-81230

BOLT

SN: 70001-UP

6шт.

11

01643-31232

WASHER

SN: 70001-UP

6шт.

12

416-03-11210

WASHER

SN: 70001-UP

2шт.

13

01580-11210

NUT

SN: 70001-UP

2шт.

14

01643-31232

WASHER

SN: 70001-UP

2шт.

15

01010-81225

BOLT

SN: 70001-UP

2шт.

16

01643-31232

WASHER

SN: 70001-UP

2шт.

Выбрано товаров: 17